Yamaha Outboard Parts - Remo Con Attachment - FT8DMHSL (2001) | Flood Marine
New Search
Parts
New Outboards
Home
FT8DMHSL (2001)
Remo Con Attachment
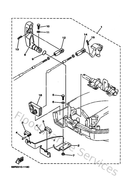
Diagram: Remo Con Attachment
Parts List
Reference
Description
Price
1
68R485010000
Remote cont. attachment assembly.
Loading…
↗
2
68T485310000
Bracket, remote control 1
Loading…
↗
3
682485385000
Clamp, cable
Loading…
↗
4
916903001200
Pin, spring
Loading…
↗
5
970800601200
Bolt(gh1)
Loading…
↗
6
929950660000
Washer, plain (646)
Loading…
↗
7
953800660000
Nut(661)
Loading…
↗
8
6AU441111000
Handle, gear shift
Loading…
↗
9
932101232700
O-ring(3ld)
Loading…
↗
10
970950501600
Bolt(6a1)
Loading…
↗
11
929950560000
Washer, plain (646)
Loading…
↗
12
6FM483440000
Cable end, remote control
Loading…
↗
13
904681800800
Clip 620436610000
Loading…
↗
14
663483440000
Cable end, remote control
Loading…
↗
16
68T427251000
Grommet
Loading…
↗