Yamaha Outboard Parts - Remote Control - 8CEM (1988) | Flood Marine
New Search
Parts
New Outboards
Home
8CEM (1988)
Remote Control
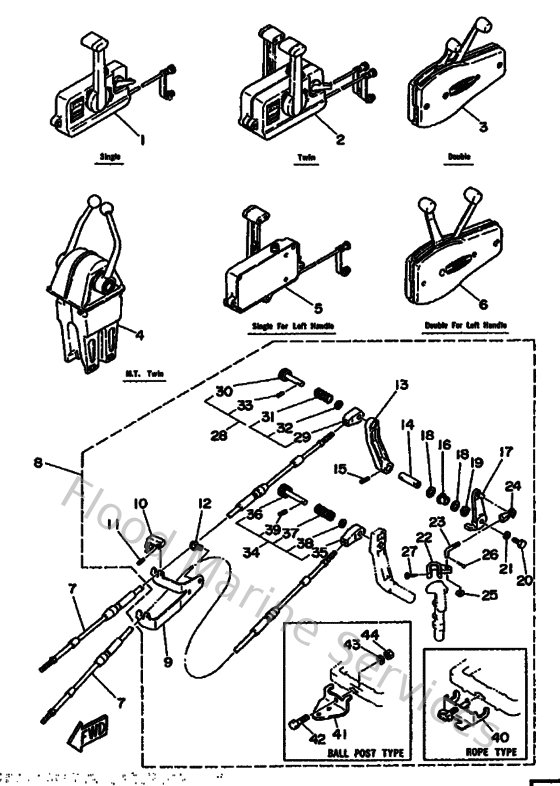
Diagram: Remote Control
Parts List
Reference
Description
Price
1
701481011000
Remote control assembly
Loading…
↗
2
701481102200
Remote Control assembly
Loading…
↗
5
701481021000
Remote control assembly
Loading…
↗
7
701483108000
Cable, Remote Control L=10F
Loading…
↗
9
6G1485315000
Bracket, remote control 1
Loading…
↗
10
682485385000
Clamp, cable
Loading…
↗
11
916903001200
Pin, spring
Loading…
↗
12
9010506M2300
Bolt (6g1)
Loading…
↗
14
6G1416355000
Shaft, link connecting
Loading…
↗
15
916904001600
Pin, spring (648)
Loading…
↗
16
903861000900
Bushing 6484418600
Loading…
↗
18
902021002400
Washer plate 648441880000
Loading…
↗
19
9020610M1200
Washer, wave (6g1)
Loading…
↗
21
929900560000
Washer, plain (646)
Loading…
↗
22
6G1416335094
Lever, Magneto Control
Loading…
↗
24
6H1412370000
Joint, link
Loading…
↗
25
902020508800
Washer, plate (666)
Loading…
↗
26
914902501500
Pin, cotter
Loading…
↗
27
977805062000
Screw, tapping
Loading…
↗
28
682483405000
Cable end assembly
Loading…
↗
29
682483445000
Cable End, Remote Control 1
Loading…
↗
30
617483619000
Hook, cable
Loading…
↗
31
905011026400
Spring 6174833290
Loading…
↗
32
929900860000
Washer, plain (663)
Loading…
↗
34
682483305000
Cable end assembly
Loading…
↗
37
905011007100
Spring 6044833200
Loading…
↗
41
676485111000
Hook, steering
Loading…
↗
42
973751004000
Bolt, hexagon deep recess
Loading…
↗
43
929901060000
Washer, plate
Loading…
↗
44
901851005100
Nut, self-locking
Loading…
↗