Yamaha Outboard Parts - Remote Control - L150CETOL (1993) | Flood Marine
New Search
Parts
New Outboards
Home
L150CETOL (1993)
Remote Control
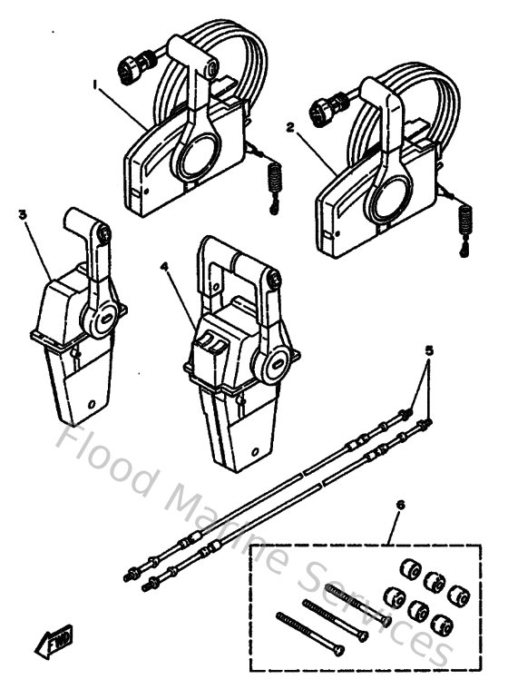
Diagram: Remote Control
Parts List
Reference
Description
Price
1
703482051300
Remote control assembly (10p, ptt)
Loading…
↗
2
703482081200
Remote control assembly (10p)
Loading…
↗
3
70448205R000
704 single top mount (mec rc)
Loading…
↗
4
704482073100
Remo-con assembly
Loading…
↗
5
701483108000
Cable, Remote Control L=10F
Loading…
↗
6
703482900100
Twin attachment
Loading…
↗