Yamaha Outboard Parts - Remote Control Assy - 6CEM (1985) | Flood Marine
New Search
Parts
New Outboards
Home
6CEM (1985)
Remote Control Assy
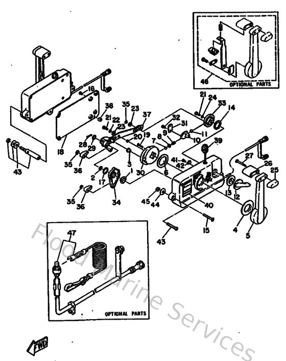
Diagram: Remote Control Assy
Parts List
Reference
Description
Price
1
701481102200
Remote Control assembly
Loading…
↗
2
701481971000
Washer, wave 2
Loading…
↗
3
701482520000
Roller, cam
Loading…
↗
4
701482340000
Bushing 1
Loading…
↗
5
701482210000
Lever, control
Loading…
↗
6
701481961100
Washer, wave 1
Loading…
↗
7
701482360000
Roller, detent
Loading…
↗
8
702482370000
Adaptor
Loading…
↗
9
702482380000
Spring, Detent
Loading…
↗
10
701482490000
Spring, adapter
Loading…
↗
11
701482480000
Roller, free accel
Loading…
↗
12
701481522000
Knob Free Accel
Loading…
↗
13
701482430000
Bushing
Loading…
↗
15
701482810000
Screw
Loading…
↗
16
978850501000
Screw, pan head(62x)
Loading…
↗
17
701482680000
Spacer 3
Loading…
↗
18
701482130000
Back, plate
Loading…
↗
19
927800602500
Screw flat head
Loading…
↗
20
701482550000
Coller 1
Loading…
↗
21
970800601800
Bolt (fj0)
Loading…
↗
23
701482460000
Spacer
Loading…
↗
24
929900630000
Washer, tooth
Loading…
↗
25
701482290000
Grip, control lever 2
Loading…
↗
26
701482220000
Grip, control lever
Loading…
↗
27
985800555500
Screw, pan head
Loading…
↗
28
701482390000
Set Pin, Plate
Loading…
↗
29
701482660000
Spacer 2
Loading…
↗
30
701482320000
Gear 1
Loading…
↗
31
701481891100
Retainer
Loading…
↗
32
985800501000
Screw, pan head(62x)
Loading…
↗
33
701481531200
Shaft, free accel
Loading…
↗
34
701482710000
Arm, shift
Loading…
↗
35
934300602400
Circlip (701)
Loading…
↗
36
701483453000
Cable end, remote control 2
Loading…
↗
37
701482610000
Arm, throttle
Loading…
↗
38
701483580000
Anchor, cable
Loading…
↗
39
701825505000
Engine Stop Switch assembly
Loading…
↗
41
701482830000
Screw 3
Loading…
↗
42
701825940000
Clamp
Loading…
↗
43
701482910000
Attachment
Loading…
↗
44
701482870000
Washer 1
Loading…
↗
45
953800660000
Nut(661)
Loading…
↗
46
701482800000
Neutral lock kit
Loading…
↗
47
701825755200
Engine stop switch assembly
Loading…
↗