Yamaha Outboard Parts - Remote Control Assy 1 - D150HETO (1999) | Flood Marine
New Search
Parts
New Outboards
Home
D150HETO (1999)
Remote Control Assy 1
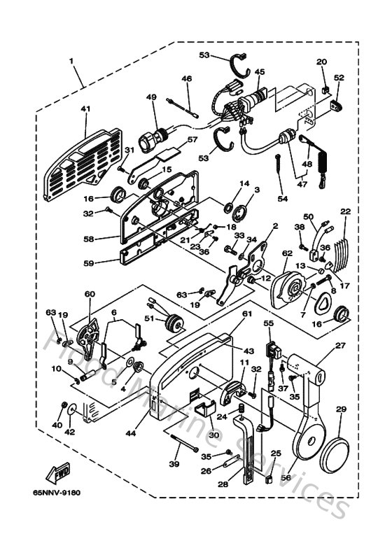
Diagram: Remote Control Assy 1
Parts List
Reference
Description
Price
1
703482051500
Remote control assembly (10p, ptt)
Loading…
↗
2
703482610100
Arm, throttle
Loading…
↗
3
703481530000
Shaft, free accel.
Loading…
↗
4
703482350000
Bushing
Loading…
↗
5
703482680000
Spacer 3
Loading…
↗
6
703482640000
Throttle, friction
Loading…
↗
7
953800560000
Nut, hexagon (663)
Loading…
↗
9
703482650000
Shaft Friction
Loading…
↗
10
934300602400
Circlip (701)
Loading…
↗
11
703482450000
Plate, lock
Loading…
↗
12
703482520000
Roller, cam
Loading…
↗
13
701482480000
Roller, free accel
Loading…
↗
14
703481980000
Washer, wave 3
Loading…
↗
15
703482430000
Bushing 3
Loading…
↗
16
703482360000
Bushing
Loading…
↗
17
703481890000
Retainer
Loading…
↗
19
703483450100
Cable end, remote control 2
Loading…
↗
20
703483580000
Anchor, cable
Loading…
↗
21
703482440000
Spring, free accel.
Loading…
↗
22
703482380000
Spring, detent
Loading…
↗
23
703482460000
Spacer 1
Loading…
↗
24
703482270000
Spring, neutral lock
Loading…
↗
25
703825940000
Clamp
Loading…
↗
26
703482260000
Plate, stopper
Loading…
↗
27
703482220000
Grip, control lever
Loading…
↗
28
703482230000
Lock, neutral
Loading…
↗
29
703482250000
Cover
Loading…
↗
30
703482190000
Cover, lead
Loading…
↗
31
703482810000
Screw, flat head
Loading…
↗
32
703482820000
Screw
Loading…
↗
33
970950803000
Bolt, hexagon (fj1)
Loading…
↗
34
929900860000
Washer, plain (663)
Loading…
↗
35
985800401000
Screw, pan head (e56)
Loading…
↗
36
985800400600
Screw, pan head (7h3)
Loading…
↗
37
985800501000
Screw, pan head(62x)
Loading…
↗
38
985800301500
Screw, pan head (n151)
Loading…
↗
39
703482911000
Screw
Loading…
↗
40
953800660000
Nut(661)
Loading…
↗
41
703482931000
Spacer, remote control
Loading…
↗
42
701482870000
Washer 1
Loading…
↗
43
703482150000
Graphic
Loading…
↗
45
703825104100
Main switch assembly
Loading…
↗
46
703825310000
Wire, lead
Loading…
↗
47
688825750100
Engine stop switch assembly
Loading…
↗
48
682825560000
Lanyard, stop switch
Loading…
↗
49
6888258A2000
10p main harness mec 2m (6ft)
Loading…
↗
50
703825400000
Neutral switch assembly
Loading…
↗
51
703833830200
Buzzer
Loading…
↗
52
703482840000
Grommet
Loading…
↗
53
703825910000
Band
Loading…
↗
54
703825920000
Band
Loading…
↗
55
703825630100
Trim & tilt switch assembly
Loading…
↗
56
703482210000
Grip
Loading…
↗
57
703481520000
Knob, free accel
Loading…
↗
58
703482120000
Rear housing
Loading…
↗
59
703482130000
Back, panel
Loading…
↗
60
703482710000
Arm, shift
Loading…
↗
61
703482110100
Housing,1
Loading…
↗
62
703482320000
Drive gear
Loading…
↗