Yamaha Outboard Parts - Remote Control Assy 2 - 90AETOL (1986) | Flood Marine
New Search
Parts
New Outboards
Home
90AETOL (1986)
Remote Control Assy 2
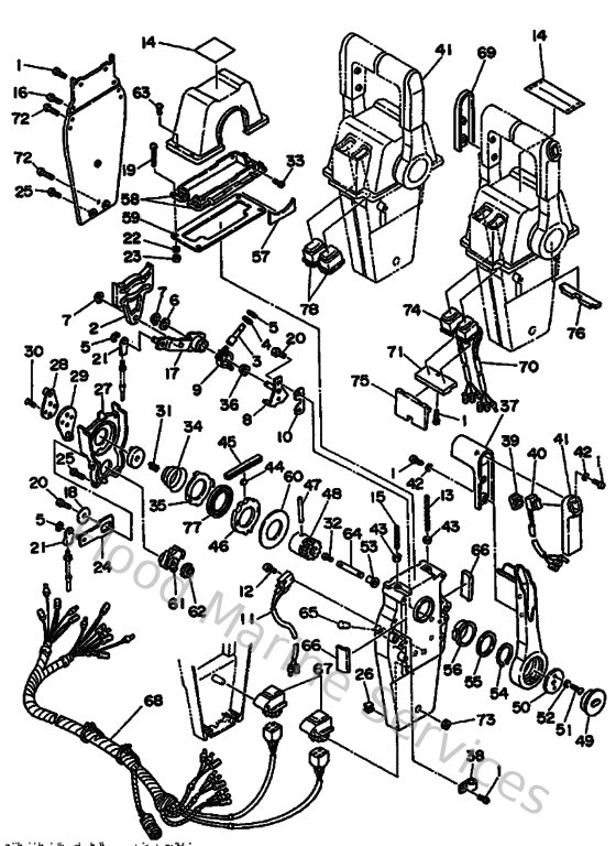
Diagram: Remote Control Assy 2
Parts List
Reference
Description
Price
1
704482051000
Remote Control assembly, Single Binn W/ptt
Loading…
↗
3
704482650000
Shaft, friction
Loading…
↗
4
701482460000
Spacer
Loading…
↗
5
934300602400
Circlip (701)
Loading…
↗
6
929901060000
Washer, plate
Loading…
↗
7
EL8482590000
Circlip 1
Loading…
↗
8
704482620000
Shaft, throttle
Loading…
↗
9
704482640000
Friction, throttle
Loading…
↗
10
704482660000
Spacer 2
Loading…
↗
11
6XE825401000
Neutral switch assembly
Loading…
↗
12
6A5481291000
Screw, pan head (n151)
Loading…
↗
13
EL8482810000
Screw 1
Loading…
↗
14
704482150000
Graphic 1
Loading…
↗
15
704482810000
Screw1
Loading…
↗
16
978900502500
Screw, panhead (a93)
Loading…
↗
17
704482610000
Arm, throttle
Loading…
↗
18
EL8481910000
Washer 1
Loading…
↗
19
704482830000
Screw,panhead (eg9)
Loading…
↗
20
970800601800
Bolt (fj0)
Loading…
↗
21
703483450000
Cable end, remote control 2
Loading…
↗
22
704482870000
Washer 1
Loading…
↗
23
953800560000
Nut, hexagon (663)
Loading…
↗
24
EL8482710000
Arm, shift
Loading…
↗
25
EL8481270000
Screw 1
Loading…
↗
26
703483580000
Anchor, cable
Loading…
↗
27
EL8482310000
Housing, gear
Loading…
↗
28
EL8482410000
Arm, drive
Loading…
↗
29
EL8482540000
Stopper Throttle Adjusting
Loading…
↗
30
987800602000
Screw flat head
Loading…
↗
31
EL8481580000
Spring 1
Loading…
↗
32
985800400600
Screw, pan head (7h3)
Loading…
↗
33
987800501800
Screw (704)
Loading…
↗
34
EL8482440000
Spring, free accel.
Loading…
↗
35
EL8482450000
Plate, lock
Loading…
↗
36
703482630000
Bushing
Loading…
↗
37
704482220000
Grip, control lever
Loading…
↗
38
704825940000
Clamp
Loading…
↗
39
704482280000
Holder, switch
Loading…
↗
40
704825630000
Trim & tilt switch assembly
Loading…
↗
41
704482291000
Grip, control lever 2
Loading…
↗
42
929900530000
Washer, tooth
Loading…
↗
43
953800660000
Nut(661)
Loading…
↗
44
701482480000
Roller, free accel
Loading…
↗
45
703482380000
Spring, detent
Loading…
↗
46
EL8482320000
Gear 1
Loading…
↗
47
EL8481640000
Pin 2
Loading…
↗
48
704482420000
Shaft, drive
Loading…
↗
49
704482250000
Cover
Loading…
↗
50
704481920000
Washer 2
Loading…
↗
51
978900601800
Screw, pan head(6e5)
Loading…
↗
52
929900630000
Washer, tooth
Loading…
↗
54
EL8482790000
Circlip 2
Loading…
↗
55
704481930000
Washer 3
Loading…
↗
56
EL8482340000
Bushing 1
Loading…
↗
57
704482190000
Cover, lead
Loading…
↗
58
704481440000
Plate, stopper 2
Loading…
↗
59
704481761000
Grommet
Loading…
↗
60
703481920000
Washer 2
Loading…
↗
61
EL8482330000
Gear 2
Loading…
↗
62
702482350000
Bushing
Loading…
↗
63
704482820000
Screw 2
Loading…
↗
64
EL8481531000
Shaft, free accel.
Loading…
↗
65
704481660000
Plug
Loading…
↗
66
704482840000
Grommet
Loading…
↗
67
704819500000
Relay assembly
Loading…
↗
70
70482563F000
Trim & tilt switch assembly
Loading…
↗
71
704482281000
Holder, switch
Loading…
↗
72
704481280000
Screw, pan head
Loading…
↗
73
704481560000
Nut 1
Loading…
↗
75
704482850000
Grommet 2
Loading…
↗
76
704482860000
Grommet 3
Loading…
↗
77
704481780000
Plate, shift
Loading…
↗
78
704482240000
Cover, Control Lever
Loading…
↗