Yamaha Outboard Parts - Repair Kit - 3AMH (1993) | Flood Marine

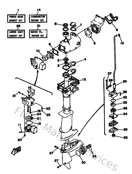
Diagram: Repair Kit

Diagram

Parts List

Reference
Description
Price