Yamaha Outboard Parts - Repair Kit 1 - 175BETOL (1993) | Flood Marine
New Search
Parts
New Outboards
Home
175BETOL (1993)
Repair Kit 1
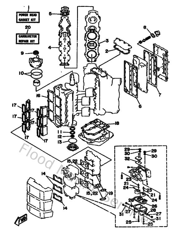
Diagram: Repair Kit 1
Parts List
Reference
Description
Price
1
6R3W00010300
Gasket kit, power unit
Loading…
↗
2
6E511381A100
Gasket 1
Loading…
↗
3
6G511181A300
Gasket, cylinder head 1
Loading…
↗
4
6G511193A000
Gasket, head cover 1
Loading…
↗
5
68812414A100
Gasket, cover
Loading…
↗
6
6G541112A100
Gasket, exhaust inner cover
Loading…
↗
7
6G541114A000
Gasket, exhaust inner cover
Loading…
↗
8
6G511382A100
Gasket 2
Loading…
↗
9
9310240M3800
Oil seal(61a)
Loading…
↗
10
932110438400
O-ring (705)
Loading…
↗
11
9310235M1300
Oil seal (6e5)
Loading…
↗
12
9310122M1500
Oil seal (6e5)
Loading…
↗
13
9321074M3500
O-ring (6e5)
Loading…
↗
14
6K7144830000
Gasket
Loading…
↗
15
6E514198A200
Gasket
Loading…
↗
16
6G513645A100
Gasket, manifold 1
Loading…
↗
17
6E513621A100
Gasket, valve seat
Loading…
↗
18
6G545113A200
Gasket, upper casing
Loading…
↗
19
65024431A000
Gasket,fuel pump
Loading…
↗
20
6E5W00930600
Carburetor repair kit
Loading…
↗
21
6E5141590000
Clip
Loading…
↗
23
6E5145460000
Valve, needle
Loading…
↗
24
6E5143860200
Pin, float
Loading…
↗
25
6E5143940000
Valve, Drain
Loading…
↗
26
6E5143840300
Gasket, float chamber
Loading…
↗
27
6E5149970000
O-ring
Loading…
↗
28
6E5143980100
Gasket
Loading…
↗
29
6E5143280100
Plug
Loading…
↗
30
6E5149790000
Gasket
Loading…
↗
31
6J8149950000
Gasket, drin screw
Loading…
↗
32
6E5149590100
Gasket
Loading…
↗