Yamaha Outboard Parts - Repair Kit 1 - 20CMH (2001) | Flood Marine
New Search
Parts
New Outboards
Home
20CMH (2001)
Repair Kit 1
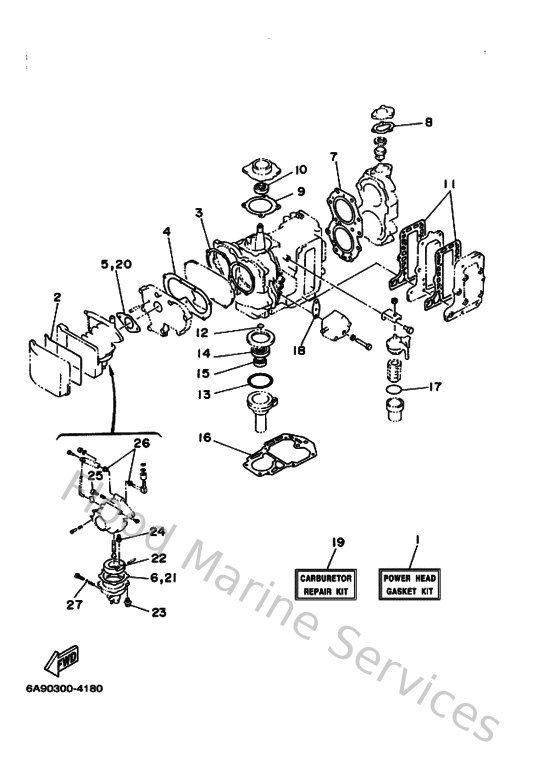
Diagram: Repair Kit 1
Parts List
Reference
Description
Price
1
695W00010300
Power Head Gasket Kit
Loading…
↗
2
695144760000
O-Ring (689)
Loading…
↗
3
64813621A100
Gasket, valve seat
Loading…
↗
4
64813645A000
Gasket, manifold 1
Loading…
↗
5
64814198A000
Gasket
Loading…
↗
6
648143840100
Gasket,float chamber
Loading…
↗
7
69511181A100
Gasket, cylinder head 1
Loading…
↗
8
65512414A100
Gasket, cover
Loading…
↗
9
66415369A000
Gasket, oil seal housing
Loading…
↗
10
931022309600
Oil seal (23x38x7-648)
Loading…
↗
11
66441114A000
Gasket, exhaust outer cover
Loading…
↗
12
932101627500
O-ring
Loading…
↗
13
9321058M2100
O-ring (683)
Loading…
↗
14
9310125M3500
Oil seal(6a4)
Loading…
↗
15
9310116M3600
Oil seal(6a8)
Loading…
↗
16
68945113A100
Gasket, upper casing
Loading…
↗
17
932103273800
O-ring(1wg)
Loading…
↗
18
65024431A000
Gasket,fuel pump
Loading…
↗
19
689W00930200
Carburetor repair kit
Loading…
↗
22
648143850000
Float
Loading…
↗
23
979800411200
Screw, pan head (686)
Loading…
↗
24
6J0143901400
Valve seat assembly
Loading…
↗
25
647143230000
Screw, air adjusting
Loading…
↗
26
903860500200
Bush 626412910000
Loading…
↗
27
646143970000
Ring O (664)
Loading…
↗