Yamaha Outboard Parts - Repair Kit 1 - 25JETO (1987) | Flood Marine
New Search
Parts
New Outboards
Home
25JETO (1987)
Repair Kit 1
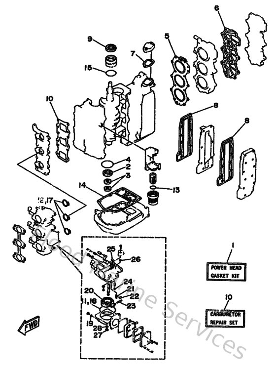
Diagram: Repair Kit 1
Parts List
Reference
Description
Price
1
6J8W00010000
Powerhead gasket kit
Loading…
↗
2
9310125M2800
Oil seal(6j8)
Loading…
↗
3
9310416M0400
Oil seal(6a8)
Loading…
↗
5
6J811181A200
Gasket, cylinder head 1
Loading…
↗
6
6J8111930000
Gasket, head cover 1
Loading…
↗
7
61A12414A000
Gasket, cover
Loading…
↗
8
6J8411140000
Gasket, exhaust outer cover
Loading…
↗
9
9310226M2700
Oil seal(6j8)
Loading…
↗
10
6J8136210000
Gasket, valve seat
Loading…
↗
11
6J8149840000
Gasket, float chamber
Loading…
↗
12
6J8141980000
Gasket
Loading…
↗
13
9321037M2500
O-ring (655)
Loading…
↗
14
6J845113A000
Gasket, upper casing
Loading…
↗
15
932104215900
O-ring (647)
Loading…
↗
20
6J8149850000
Float
Loading…
↗
21
6J8145460000
Valve, needle
Loading…
↗
22
6J8141590000
Clip
Loading…
↗
23
6J8145480000
Pin, float arm
Loading…
↗
24
6J8149660000
Plug
Loading…
↗
25
6J8141260000
Plug
Loading…
↗
26
6J8141180000
Plug
Loading…
↗
27
978030401200
Screw, pan head (686)
Loading…
↗
28
929030410000
Ybs67-4 washer, spring
Loading…
↗