Yamaha Outboard Parts - Repair Kit 1 - 55BM (2001) | Flood Marine
New Search
Parts
New Outboards
Home
55BM (2001)
Repair Kit 1
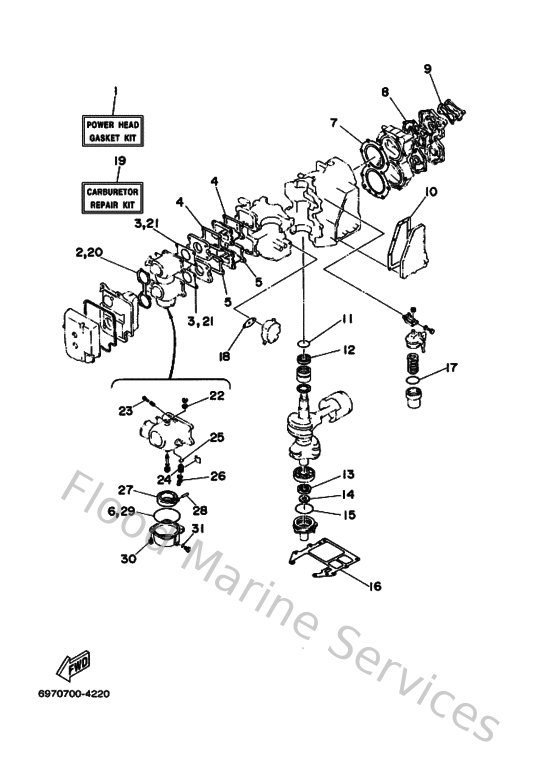
Diagram: Repair Kit 1
Parts List
Reference
Description
Price
1
697W00010200
Power head gasket kit
Loading…
↗
2
66314483A000
Gasket, plate
Loading…
↗
3
66314198A000
Gasket
Loading…
↗
4
66313621A000
Packing, valve seat 1
Loading…
↗
5
66313622A000
Packing, valve seat 2
Loading…
↗
6
932106427200
O-ring (663) (carb)
Loading…
↗
7
69711181A100
Gasket, cylinder head 1
Loading…
↗
8
66311193A000
Gasket, head cover
Loading…
↗
9
66312414A000
Gasket, thermostat
Loading…
↗
10
66341114A000
Gasket, exhaust outer cover
Loading…
↗
11
932104215900
O-ring (647)
Loading…
↗
12
9310232M0700
Oil seal (697)
Loading…
↗
13
931022813500
Oil seal (28x47x7-663)
Loading…
↗
14
931041804900
Oil seal (18x30x5-663)
Loading…
↗
15
932106226900
Ring, o(663)
Loading…
↗
16
69645113A000
Gasket,upper casing
Loading…
↗
17
932103273800
O-ring(1wg)
Loading…
↗
18
65024431A000
Gasket,fuel pump
Loading…
↗
19
696W00930200
Carburetor repair kit
Loading…
↗
22
679145570000
Washer (carb)
Loading…
↗
23
663149230000
Screw, adjust
Loading…
↗
24
696145900000
Needle valve assembly
Loading…
↗
25
932100722900
O-ring (371)
Loading…
↗
26
810141860000
Pin, valve
Loading…
↗
27
6F0149850000
Float comp.
Loading…
↗
28
663145480000
Pin, arm
Loading…
↗
30
979800411200
Screw, pan head (686)
Loading…
↗
31
932100423000
O-ring (371)
Loading…
↗