Yamaha Outboard Parts - Repair Kit 1 - 60FETO (1989) | Flood Marine
New Search
Parts
New Outboards
Home
60FETO (1989)
Repair Kit 1
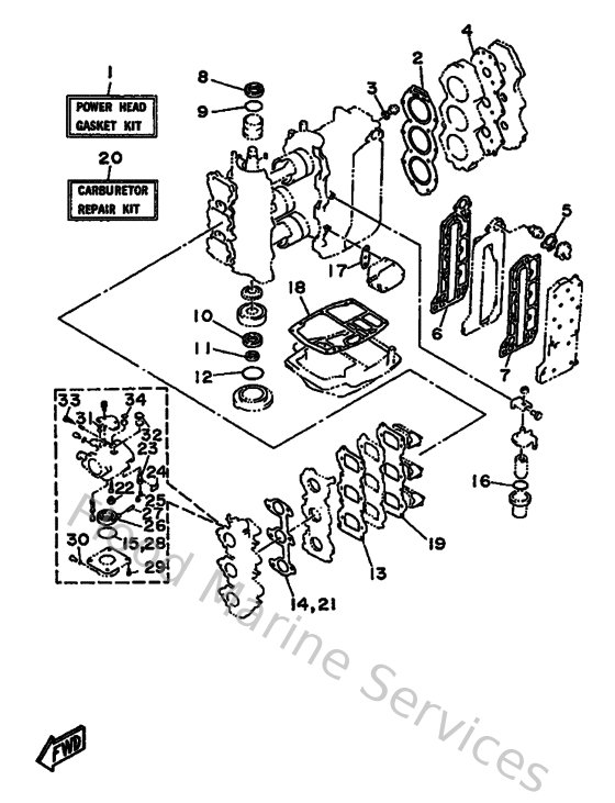
Diagram: Repair Kit 1
Parts List
Reference
Description
Price
1
6H3W00010000
Gasket kit, power unit
Loading…
↗
2
6H3111810100
Gasket, cylinder head 1
Loading…
↗
3
904301411500
Gasket (663)
Loading…
↗
4
6H311193A100
Gasket, head cover 1
Loading…
↗
5
6H3124140000
Gasket, cover
Loading…
↗
6
6H3411120000
Gasket, exhaust inner cover
Loading…
↗
7
6H341114A000
Gasket, exhaust outer cover
Loading…
↗
8
9310236M2400
Oil seal(52w)
Loading…
↗
9
9321046M1600
O-ring (688)
Loading…
↗
10
9310230M2300
Oil seal (6h3)
Loading…
↗
11
9310618M0100
Oil seal (6h3)
Loading…
↗
12
9321065M5000
O-ring
Loading…
↗
13
6H313621A100
Gasket, valve seat
Loading…
↗
14
6H3141980100
Gasket
Loading…
↗
15
6G1149840000
Gasket, float chamber
Loading…
↗
16
9321037M2500
O-ring (655)
Loading…
↗
17
65024431A000
Gasket,fuel pump
Loading…
↗
18
6H3451130000
Gasket, upper casing
Loading…
↗
19
6H3136220000
Gasket, valve seat
Loading…
↗
20
6H3W00930100
Carburetor repair kit
Loading…
↗
21
6H314198A100
Gasket
Loading…
↗
22
676149660000
Rubber cap
Loading…
↗
23
6H3145900000
Needle valve assembly
Loading…
↗
24
633141590000
Clip
Loading…
↗
25
676141860000
Pin, valve
Loading…
↗
26
6G1149850000
Float comp.
Loading…
↗
27
688145480000
Pin, arm
Loading…
↗
29
985800401400
Screw, pan head(ga5)
Loading…
↗
30
932100423000
O-ring (371)
Loading…
↗
31
663141260000
Packing
Loading…
↗
32
688141260000
Packing
Loading…
↗
33
692149230000
Screw, adjusting
Loading…
↗
34
9321015M5200
O-ring (6e9)
Loading…
↗