Yamaha Outboard Parts - Repair Kit 1 - 70BETO (1994) | Flood Marine
New Search
Parts
New Outboards
Home
70BETO (1994)
Repair Kit 1
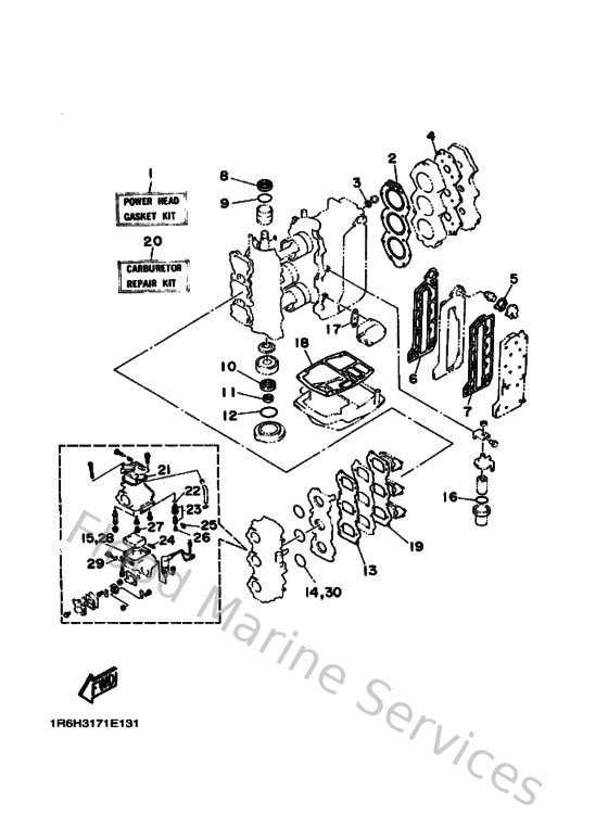
Diagram: Repair Kit 1
Parts List
Reference
Description
Price
1
6H3W00010100
Power head gasket kit
Loading…
↗
2
6H311181A000
Gasket, cylinder head 1
Loading…
↗
3
904301411500
Gasket (663)
Loading…
↗
4
6H311193A100
Gasket, head cover 1
Loading…
↗
5
62Y124140000
Gasket, cover
Loading…
↗
6
6H341112A000
Gasket, exhaust inner cover
Loading…
↗
7
6H341114A000
Gasket, exhaust outer cover
Loading…
↗
8
931023635100
Oil seal(52w)
Loading…
↗
9
9321046M1600
O-ring (688)
Loading…
↗
10
9310230M2300
Oil seal (6h3)
Loading…
↗
11
9310618M0100
Oil seal (6h3)
Loading…
↗
12
9321065M5000
O-ring
Loading…
↗
13
6H313621A100
Gasket, valve seat
Loading…
↗
14
9321039ME400
O-ring(6h2)
Loading…
↗
15
6H4149840000
Gasket, float chamber
Loading…
↗
16
9321037M2500
O-ring (655)
Loading…
↗
17
65024431A000
Gasket,fuel pump
Loading…
↗
18
6H345113A000
Gasket, upper casing
Loading…
↗
19
6H313622A100
Gasket, valve seat
Loading…
↗
20
6H2W00931000
Carburetor repair kit
Loading…
↗
21
6H4141470000
O-ring
Loading…
↗
22
932100422800
O-ring (371)
Loading…
↗
23
6H3145900000
Needle valve assembly
Loading…
↗
24
6H4145480000
Pin, float arm
Loading…
↗
25
663141590000
Clip
Loading…
↗
26
676141860000
Pin, valve
Loading…
↗
27
676149660000
Rubber cap
Loading…
↗
29
932100423000
O-ring (371)
Loading…
↗