Yamaha Outboard Parts - Repair Kit 1 - 9.9FMH (1999) | Flood Marine
New Search
Parts
New Outboards
Home
9.9FMH (1999)
Repair Kit 1
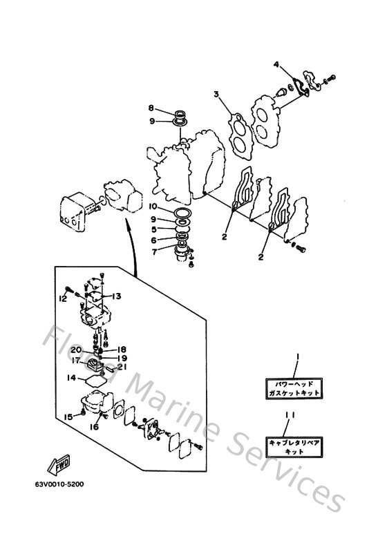
Diagram: Repair Kit 1
Parts List
Reference
Description
Price
1
63VW00010100
Gasket kit
Loading…
↗
2
63V41112A000
Gasket, exhaust inner cover
Loading…
↗
3
63V11181A100
Gasket, cylinder head 1
Loading…
↗
4
68212414A100
Gasket, cover
Loading…
↗
5
9321046M1600
O-ring (688)
Loading…
↗
6
9310225M4800
Oil seal(63v)
Loading…
↗
7
9310113M1100
Oil seal (682)
Loading…
↗
8
9311023M0000
Oil seal (682)
Loading…
↗
9
63V114450000
Spacer
Loading…
↗
10
9020146M2900
Washer, plate(63v)
Loading…
↗
11
63VW00930000
Carburetor repair kit
Loading…
↗
12
679149230000
Screw, pilot
Loading…
↗
13
63V141260000
Gasket
Loading…
↗
14
63V149840000
Gasket, float chamber
Loading…
↗
15
979800411400
Screw, pan head(ga5)
Loading…
↗
16
6G1143980000
Washer
Loading…
↗
17
63V149850000
Float
Loading…
↗
18
6G1145460100
Valve, needle
Loading…
↗
19
676141860000
Pin, valve
Loading…
↗
20
663141590000
Clip
Loading…
↗
21
6H4145480000
Pin, float arm
Loading…
↗