Yamaha Outboard Parts - Repair Kit 1 - F30AMS (2001) | Flood Marine
New Search
Parts
New Outboards
Home
F30AMS (2001)
Repair Kit 1
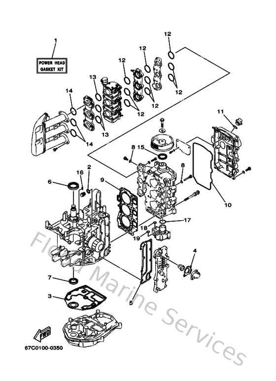
Diagram: Repair Kit 1
Parts List
Reference
Description
Price
1
67CW00010000
Power head gasket kit
Loading…
↗
2
904301411500
Gasket (663)
Loading…
↗
3
67C113510000
Gasket, cylinder
Loading…
↗
4
62Y124140000
Gasket, cover
Loading…
↗
5
67C411141000
Gasket, exhaust outer cover
Loading…
↗
6
9310243M4200
Oil seal(62y)
Loading…
↗
7
9310235M4700
Oil seal(62y)
Loading…
↗
8
904300601400
Gasket 256113960000
Loading…
↗
9
67C111810100
Gasket, cylinder head 1
Loading…
↗
10
67C113560000
Seal, cylinder 2
Loading…
↗
11
9321024M7900
O-ring
Loading…
↗
12
67C145610000
O-ring
Loading…
↗
13
67C145620000
O-ring
Loading…
↗
14
9321034MJ600
O-ring
Loading…
↗
15
9310237M4000
Oil seal(62y)
Loading…
↗
16
9028004M0600
Key, woodruff(6a1)
Loading…
↗
17
9321033MH200
O-ring(62y)
Loading…
↗
18
9321012MG900
O-ring(62y)
Loading…
↗
19
932101451500
O-ring (11h)
Loading…
↗