Yamaha Outboard Parts - Repair Kit 1 - F80AET (1999) | Flood Marine
New Search
Parts
New Outboards
Home
F80AET (1999)
Repair Kit 1
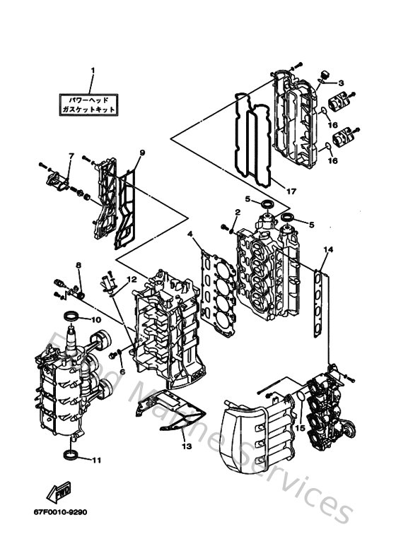
Diagram: Repair Kit 1
Parts List
Reference
Description
Price
1
67FW00010000
Power head gasket kit
Loading…
↗
2
904300814300
Gasket (256-11198-00)
Loading…
↗
3
9321024M7900
O-ring
Loading…
↗
4
67F111810300
Gasket, cylinder head 1
Loading…
↗
5
9310238M5400
Oil seal
Loading…
↗
6
904301411500
Gasket (663)
Loading…
↗
7
67F12435A000
Gasket
Loading…
↗
8
67F857530000
Gasket, sender unit
Loading…
↗
9
67F41114A200
Gasket, exhaust outer cover
Loading…
↗
10
9310248M5500
Oil seal
Loading…
↗
11
9310148M6400
Oil seal
Loading…
↗
12
9321019MJ300
O-ring
Loading…
↗
13
68V113510000
Gasket, cylinder
Loading…
↗
14
67F136450000
Gasket, manifold 1
Loading…
↗
15
9321041MJ200
O-ring
Loading…
↗
16
932103068200
O-ring (371)
Loading…
↗
17
67F113560000
Seal, cylinder 2
Loading…
↗