Yamaha Outboard Parts - Repair Kit 1 - F8AMH (1988) | Flood Marine

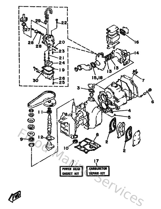
Diagram: Repair Kit 1

Diagram

Parts List

Reference
Description
Price