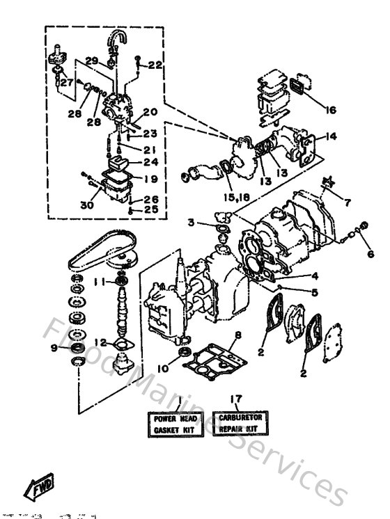
Yamaha Outboard Parts - Repair Kit 1 - F8AMH (1989) | Flood Marine

Diagram: Repair Kit 1

Diagram