Yamaha Outboard Parts - Repair Kit 1 - F8BMH (1989) | Flood Marine
New Search
Parts
New Outboards
Home
F8BMH (1989)
Repair Kit 1
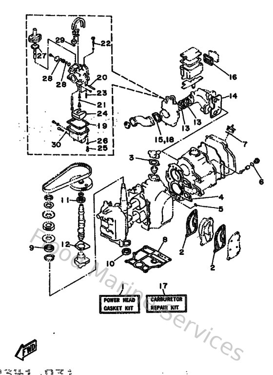
Diagram: Repair Kit 1
Parts List
Reference
Description
Price
2
6G8411120100
Gasket, exhaust inner cover
Loading…
↗
3
6G8124140000
Gasket, cover
Loading…
↗
4
6G8111810000
Gasket, cylinder head 1
Loading…
↗
5
9321011M5900
O-ring (6g8)
Loading…
↗
6
9321013M6300
O-ring (6g8)
Loading…
↗
7
9321024M7900
O-ring
Loading…
↗
8
6G811351A000
Gasket, cylinder
Loading…
↗
9
9310230M2200
Oil seal (6g8)
Loading…
↗
10
9310125M2400
Oil seal (6g8)
Loading…
↗
11
9310218M2100
Oil seal (6g8)
Loading…
↗
12
6G813329A000
Gasket,pump
Loading…
↗
13
6G8136460000
Gasket,intake manifold 2
Loading…
↗
14
6G8136450000
Gasket, intake manifold
Loading…
↗
15
6G814198A000
Gasket
Loading…
↗
16
6G8153740000
Gasket, breather
Loading…
↗
17
6G8W00930000
Carburetor repair set
Loading…
↗
19
6G8143840000
Gasket, float chamber
Loading…
↗
20
647143860000
Pin, float
Loading…
↗
21
654141980000
Gasket
Loading…
↗
22
6G8143230000
Screw, air adjusting
Loading…
↗
23
6G8143920000
Valve, needle
Loading…
↗
24
6G8143850000
Float assembly
Loading…
↗
25
985800401600
Screw, panhead (796)
Loading…
↗
26
929030410000
Ybs67-4 washer, spring
Loading…
↗
27
33A143690000
Diaphragm Assembly
Loading…
↗
28
1J2143970000
O-Ring
Loading…
↗
29
5H0143970000
O-ring
Loading…
↗
30
5Y1143970000
O-ring
Loading…
↗