Yamaha Outboard Parts - Repair Kit 1 - F9.9BMH (1992) | Flood Marine
New Search
Parts
New Outboards
Home
F9.9BMH (1992)
Repair Kit 1
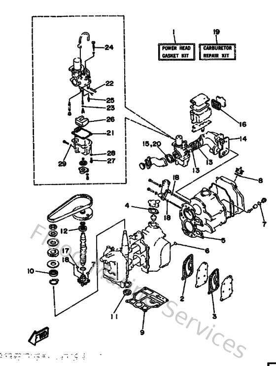
Diagram: Repair Kit 1
Parts List
Reference
Description
Price
1
6G8W00010300
Gasket kit, power unit
Loading…
↗
2
6G8411120200
Gasket, exhaust inner cover
Loading…
↗
4
6G812414A000
Gasket, cover
Loading…
↗
5
6G511181A000
Gasket, cylinder head 1
Loading…
↗
6
9321011M5900
O-ring (6g8)
Loading…
↗
7
9321013M6300
O-ring (6g8)
Loading…
↗
8
932102507000
O-ring (437)
Loading…
↗
9
6G811351A000
Gasket, cylinder
Loading…
↗
10
9310230M2200
Oil seal (6g8)
Loading…
↗
11
9310125M2400
Oil seal (6g8)
Loading…
↗
12
9310218M2100
Oil seal (6g8)
Loading…
↗
13
6G813646A000
Gasket,intake manifold 2
Loading…
↗
14
6G8136450000
Gasket, intake manifold
Loading…
↗
15
6G814198A000
Gasket
Loading…
↗
16
6G8153740000
Gasket, breather
Loading…
↗
17
9321010M6100
O-ring (6g8)
Loading…
↗
18
9321009M0100
O-ring (664)
Loading…
↗
19
6G8W00930100
Carburetor repair set
Loading…
↗
21
6G8143840100
Gasket, float chamber
Loading…
↗
22
647143861000
Pin, float
Loading…
↗
23
654141980000
Gasket
Loading…
↗
24
6G8143230000
Screw, air adjusting
Loading…
↗
25
6G8143920000
Valve, needle
Loading…
↗
26
6G8143850000
Float assembly
Loading…
↗
27
985030401400
Screw, pan head(ga5)
Loading…
↗
28
929900410000
Ybs67-4 washer, spring
Loading…
↗
29
5Y1143970000
O-ring
Loading…
↗