Yamaha Outboard Parts - Repair Kit 1 - F9.9CMH (2001) | Flood Marine
New Search
Parts
New Outboards
Home
F9.9CMH (2001)
Repair Kit 1
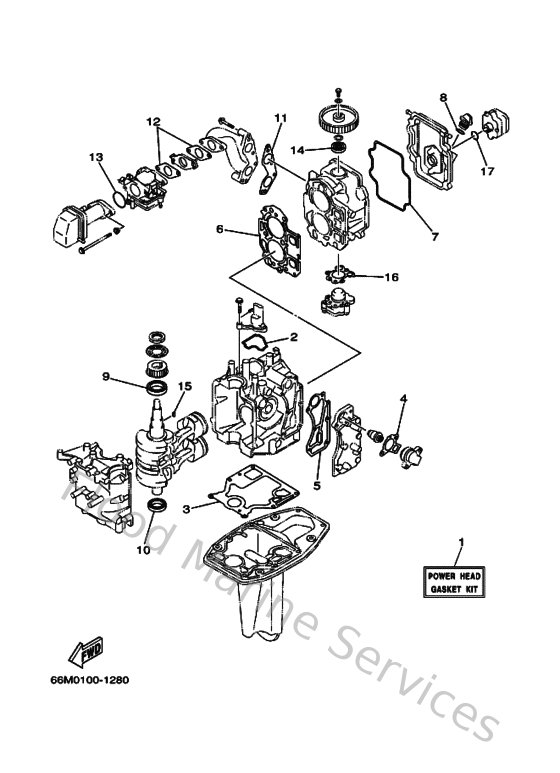
Diagram: Repair Kit 1
Parts List
Reference
Description
Price
1
66MW00010100
Power head gasket kit
Loading…
↗
2
66M113570000
Seal, cylinder 3
Loading…
↗
3
66M113510000
Gasket, cylinder
Loading…
↗
4
62Y124140000
Gasket, cover
Loading…
↗
5
66M411140100
Gasket, exhaust outer cover
Loading…
↗
6
66M111810000
Gasket, cylinder head 1
Loading…
↗
7
66M113560000
Seal, cylinder 2
Loading…
↗
8
932102480000
O-ring
Loading…
↗
9
9310235M5100
Oil seal
Loading…
↗
10
9310225M5200
Oil seal
Loading…
↗
11
66M136450000
Gasket, manifold 1
Loading…
↗
12
66M136460000
Gasket, manifold 2
Loading…
↗
13
9321035M8600
O-ring(6l2)
Loading…
↗
14
9310218M2100
Oil seal (6g8)
Loading…
↗
15
9028003M0100
Key woodruff 146115450000
Loading…
↗
16
66M133291000
Gasket, pump cover
Loading…
↗
17
9321020M6500
O-ring
Loading…
↗