Yamaha Outboard Parts - Repair Kit 1 - L140BETOL (1989) | Flood Marine
New Search
Parts
New Outboards
Home
L140BETOL (1989)
Repair Kit 1
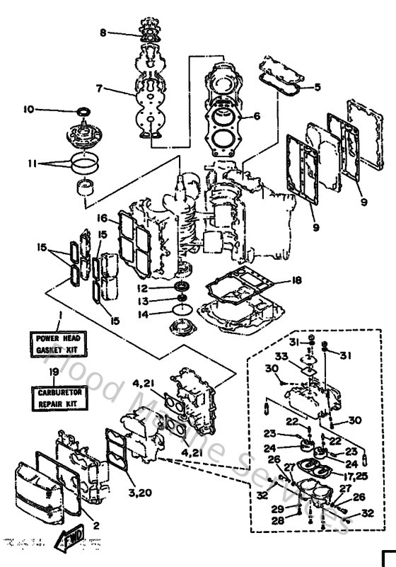
Diagram: Repair Kit 1
Parts List
Reference
Description
Price
1
6F3W00010100
Gasket kit, power unit
Loading…
↗
2
6E5144160000
Gasket, air cleaner
Loading…
↗
3
6E514483A100
Gasket
Loading…
↗
4
6E5141980000
Gasket
Loading…
↗
6
6E5111810200
Gasket, cylinder head 1
Loading…
↗
7
6E511193A000
Gasket, head cover 1
Loading…
↗
8
688124140000
Gasket, cover
Loading…
↗
9
6E5411120000
Gasket, exhaust inner cover
Loading…
↗
11
932110438400
O-ring (705)
Loading…
↗
12
9310235M1300
Oil seal (6e5)
Loading…
↗
13
9310122M1500
Oil seal (6e5)
Loading…
↗
14
9321074M3500
O-ring (6e5)
Loading…
↗
15
6E5136210000
Gasket, valve seat
Loading…
↗
16
6E513645A100
Gasket, manifold 1
Loading…
↗
17
6E5143840300
Gasket, float chamber
Loading…
↗
18
6G5451130000
Gasket, upper casing
Loading…
↗
19
6E5W00939500
Carburetor Repair Kit
Loading…
↗
22
6E5145460000
Valve, needle
Loading…
↗
23
6E5143860200
Pin, float
Loading…
↗
24
6E5143850200
Float
Loading…
↗
26
6E5149970000
O-ring
Loading…
↗
27
6E5143980100
Gasket
Loading…
↗
28
985800501600
Screw, pan head(6b0)
Loading…
↗
29
929900510000
Ybs67-5 washer, spring
Loading…
↗
30
6E5143230300
Screw, air adjusting
Loading…
↗
31
6E5149790000
Gasket
Loading…
↗
32
6J8149950000
Gasket, drin screw
Loading…
↗
33
6E5149590000
Gasket
Loading…
↗