Yamaha Outboard Parts - Repair Kit 1 - L250AETO (2000) | Flood Marine
New Search
Parts
New Outboards
Home
L250AETO (2000)
Repair Kit 1
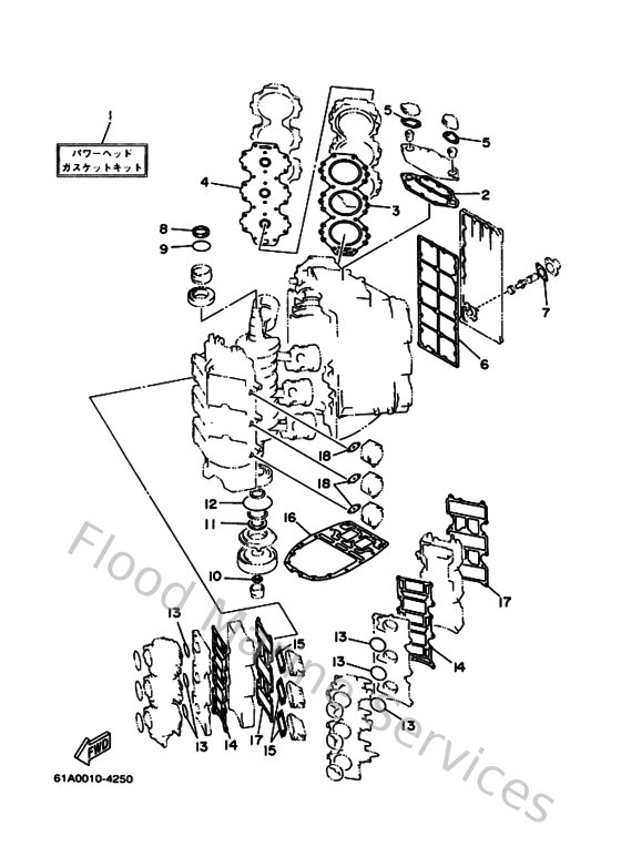
Diagram: Repair Kit 1
Parts List
Reference
Description
Price
1
61AW0001A100
Power Head Gasket Kit
Loading…
↗
2
61A11381A000
Gasket 1
Loading…
↗
3
61A11181A100
Gasket, cylinder head 1
Loading…
↗
4
61A11193A200
Gasket, head cover 1
Loading…
↗
5
61A12414A000
Gasket, cover
Loading…
↗
6
61A41112A000
Gasket, exhaust inner cover
Loading…
↗
7
6G511382A100
Gasket 2
Loading…
↗
8
9310240M3800
Oil seal(61a)
Loading…
↗
9
9321054M5400
O-ring (6g1)
Loading…
↗
10
9310422M0700
Oil seal(61a)
Loading…
↗
11
9310240M3600
Oil seal
Loading…
↗
12
9321081MA600
O-ring(61a)
Loading…
↗
13
9321050MA800
O-ring(61a)
Loading…
↗
14
61A136450000
Gasket, Manifold 1
Loading…
↗
15
61A13621A000
Gasket, valve seat
Loading…
↗
16
61A45113A000
Gasket, upper casing
Loading…
↗
17
61A136460000
Gasket, manifold 2
Loading…
↗
18
65024431A000
Gasket,fuel pump
Loading…
↗