Yamaha Outboard Parts - Repair Kit 2 - 15DWH (1988) | Flood Marine
New Search
Parts
New Outboards
Home
15DWH (1988)
Repair Kit 2
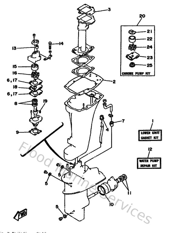
Diagram: Repair Kit 2
Parts List
Reference
Description
Price
1
683W00012100
Lwr Unit Gskt Kit
Loading…
↗
2
682451130200
Gasket, upper casing
Loading…
↗
3
68241133A000
Gasket,exhaust manifold 1
Loading…
↗
4
626443650100
Damper, water seal 1
Loading…
↗
5
904300802000
Gasket
Loading…
↗
6
68244315A000
Gasket,water pump 1
Loading…
↗
7
6E7443660000
Damper, water seal 2
Loading…
↗
8
931012004800
Oil seal (20x30x6-648)
Loading…
↗
9
683453150000
Packing,lower casing
Loading…
↗
10
9321057M0900
O-ring (683)
Loading…
↗
11
931011705400
Oil seal (17x30x6-650)
Loading…
↗
12
682W0078A100
Water pump repair kit
Loading…
↗
13
682443650000
Damper, water seal 1
Loading…
↗
14
973950604000
Bolt (682)
Loading…
↗
15
682443220000
Insert, cartridge
Loading…
↗
16
682443520100
Impeller
Loading…
↗
18
682443230000
Outer plate, cartridge
Loading…
↗
19
902800302400
Key, woodruff(662)
Loading…
↗
21
682443214000
Inner Plate Cartridge(Chrome)
Loading…
↗
22
682443224000
Insert, cartridge(chrome)
Loading…
↗
23
682443234000
Outer plate, cartridge(chrome)
Loading…
↗
25
682453440000
Cover, oil seal
Loading…
↗