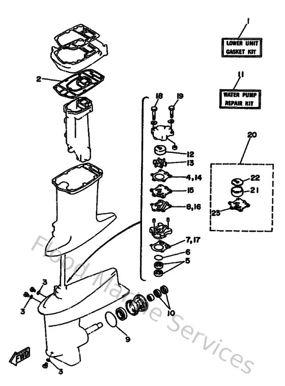
Yamaha Outboard Parts - Repair Kit 2 - 25JETO (1988) | Flood Marine

Diagram: Repair Kit 2

Diagram