Yamaha Outboard Parts - Repair Kit 2 - LZ200NETO (2001) | Flood Marine
New Search
Parts
New Outboards
Home
LZ200NETO (2001)
Repair Kit 2
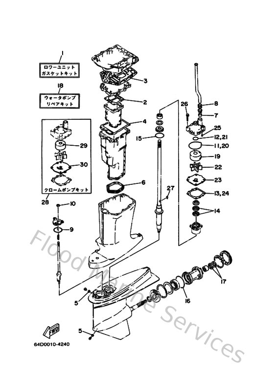
Diagram: Repair Kit 2
Parts List
Reference
Description
Price
1
6G5W0001C100
Lower unit gasket kit
Loading…
↗
2
6G541134A000
Gasket, exhaust manifold
Loading…
↗
3
6G545114A000
Gasket, upper casing
Loading…
↗
4
6E541135A000
Gasket, exhaust manifold
Loading…
↗
5
904300802000
Gasket
Loading…
↗
6
6E5451230000
Gasket, muffler
Loading…
↗
7
6E5443650000
Damper, water seal 1
Loading…
↗
8
6E5443660000
Damper, water seal 2
Loading…
↗
9
932105814400
O-ring(47x)
Loading…
↗
10
931060901400
Oil seal
Loading…
↗
11
9321086M3800
O-ring (6e5)
Loading…
↗
12
932103716000
O-ring (6g8)
Loading…
↗
13
6E544315A000
Gasket,water pump
Loading…
↗
14
9310128M1600
Oil seal (6e5)
Loading…
↗
15
932105453400
O-ring (70e)
Loading…
↗
16
9321097M5500
O-ring (6g5)
Loading…
↗
17
9310130M1700
Oil seal (6e5)
Loading…
↗
18
61AW0078A300
Water pump repair kit
Loading…
↗
19
61A443220200
Insert, cartridge
Loading…
↗
22
6E5443520100
Impeller
Loading…
↗
23
6G5443230100
Outer plate, cartridge
Loading…
↗
25
936061201900
Pin, dowel (614)
Loading…
↗
26
9011908M1400
Bolt, with washer
Loading…
↗
27
9028004M0500
Key, woodruff (6e5)
Loading…
↗
28
61AW00782A00
Chrome pump kit
Loading…
↗
29
6R3443224100
Insert, cartridge
Loading…
↗
30
6G5443234000
Outer plate, cartridge
Loading…
↗