Yamaha Outboard Parts - Repair Kit 3 - F9.9CMH (1998) | Flood Marine
New Search
Parts
New Outboards
Home
F9.9CMH (1998)
Repair Kit 3
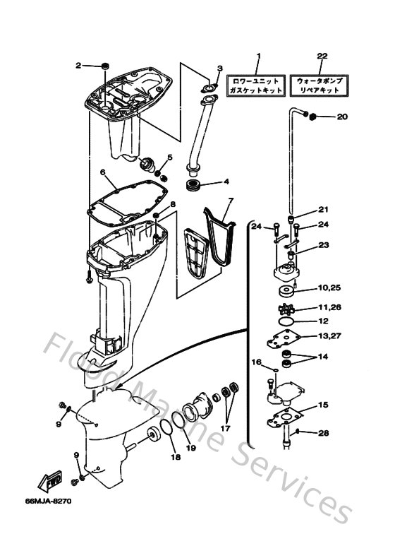
Diagram: Repair Kit 3
Parts List
Reference
Description
Price
1
66MW00012000
Lower Unit Gasket Kit
Loading…
↗
2
9310113M2700
Oil seal (6g8)
Loading…
↗
3
66M411330000
Gasket, exhaust manifold 1
Loading…
↗
4
66M411380000
Seal, ext. 1
Loading…
↗
5
9043014M0900
Gasket
Loading…
↗
6
66M451130000
Gasket, upper casing
Loading…
↗
7
66M451150000
Gasket, upper casing
Loading…
↗
8
66M451280000
Seal 2
Loading…
↗
9
904300802000
Gasket
Loading…
↗
10
63V443220000
Insert, cartridge
Loading…
↗
11
63V443520000
Impeller
Loading…
↗
12
932104439800
O-ring(55x)
Loading…
↗
13
63V443230000
Outer plate, cartridge
Loading…
↗
14
931022048400
Oil seal
Loading…
↗
15
63V45315A000
Packing, lower casing
Loading…
↗
16
9321006ME600
O-ring
Loading…
↗
17
931011705400
Oil seal (17x30x6-650)
Loading…
↗
18
9321057M0900
O-ring (683)
Loading…
↗
19
9321056M8000
O-ring(6j8)
Loading…
↗
20
63V443651000
Damper, water seal 1
Loading…
↗
21
63V443680000
Rubber, water seal 4
Loading…
↗
22
63VW00780200
Water pump repair kit
Loading…
↗
23
647443660000
Damper, water seal 2
Loading…
↗
24
970800804500
Bolt, hexagon
Loading…
↗
28
664443380000
Key, woodruff
Loading…
↗