Yamaha Outboard Parts - Repair Kit 3 - S250AETOXLX (2000) | Flood Marine
New Search
Parts
New Outboards
Home
S250AETOXLX (2000)
Repair Kit 3
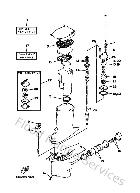
Diagram: Repair Kit 3
Parts List
Reference
Description
Price
1
61AW0001C100
Gasket kit, lower unit
Loading…
↗
2
61A41134A000
Gasket, exhaust manifold
Loading…
↗
3
61A45114A000
Gasket, upper casing
Loading…
↗
4
904300800300
Gasket
Loading…
↗
5
61A451230100
Gasket, muffler
Loading…
↗
6
6E5443650000
Damper, water seal 1
Loading…
↗
7
6E5443660000
Damper, water seal 2
Loading…
↗
8
932106575200
O-ring(2hj)
Loading…
↗
9
931060901400
Oil seal
Loading…
↗
10
9321086M3800
O-ring (6e5)
Loading…
↗
11
932103716000
O-ring (6g8)
Loading…
↗
12
6E544315A000
Gasket,water pump
Loading…
↗
13
9310128M1600
Oil seal (6e5)
Loading…
↗
14
9321055M1400
O-ring (70e)
Loading…
↗
15
932110438400
O-ring (705)
Loading…
↗
16
9310130M1700
Oil seal (6e5)
Loading…
↗
17
61AW0078A200
Water pump repair kit
Loading…
↗
18
61A443220200
Insert, cartridge
Loading…
↗
21
6E5443520100
Impeller
Loading…
↗
22
6G5443230100
Outer plate, cartridge
Loading…
↗
24
936061201900
Pin, dowel (614)
Loading…
↗
25
9011908M1400
Bolt, with washer
Loading…
↗
26
9028004M0500
Key, woodruff (6e5)
Loading…
↗
27
61AW00782A00
Chrome pump kit
Loading…
↗
28
6R3443224200
Insert, cartridge
Loading…
↗
29
6G5443234000
Outer plate, cartridge
Loading…
↗