Yamaha Outboard Parts - Starter - 25NEMO (1988) | Flood Marine
New Search
Parts
New Outboards
Home
25NEMO (1988)
Starter
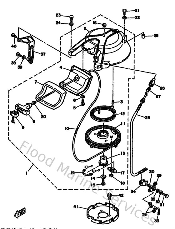
Diagram: Starter
Parts List
Reference
Description
Price
1
6L2157100000
Starter assembly
Loading…
↗
2
6L2157110094
Case, starter
Loading…
↗
3
916904001400
Pin, spring (6f2)
Loading…
↗
4
6L2157580094
Guide, rope
Loading…
↗
5
970950601600
Bolt, hexagon deep recess
Loading…
↗
6
929900660000
Washer, plain (646)
Loading…
↗
7
6L2157620000
Seal, rubber 2
Loading…
↗
8
689157550000
Handle, starter
Loading…
↗
9
6F5157790100
Cover
Loading…
↗
11
6J8157140000
Drum, sheave
Loading…
↗
12
9051008M0400
Spring, spiral (677)
Loading…
↗
13
677157170100
Shaft
Loading…
↗
14
902010606000
Washer, plate
Loading…
↗
15
973130602500
Bolt
Loading…
↗
16
953800670000
Nut
Loading…
↗
17
676157410300
Pawl, drive
Loading…
↗
18
9343006M0200
Circlip (689)
Loading…
↗
19
6J8157050000
Spring, drive pawl
Loading…
↗
20
6A0157890000
Damper
Loading…
↗
21
970140603500
Bolt(3rv)
Loading…
↗
25
995101011400
Pin, dowel(3vd)
Loading…
↗
26
656157480000
Plunger, starter stop
Loading…
↗
27
905011022700
Spring, comprreshion(656)
Loading…
↗
28
6L2157700000
Cable comp., starter stop
Loading…
↗
29
6L2157460000
Arm
Loading…
↗
30
9038706M5100
Collar (6g0)
Loading…
↗
31
970800602000
Bolt(7u8)
Loading…
↗
32
929900610000
Washer(6a1)
Loading…
↗
33
6L2157470000
Link
Loading…
↗
34
6L2157740000
Stay 4
Loading…
↗
35
9020106M6200
Washer, plate (6e5)
Loading…
↗
36
661412620200
Joint, choke lever
Loading…
↗
37
6L2157720094
Stay 2
Loading…
↗
38
973130602000
Bolt(7u8)
Loading…
↗
42
970270801200
Bolt, hexagon
Loading…
↗