Yamaha Outboard Parts - Starter - 40VMO (1996) | Flood Marine
New Search
Parts
New Outboards
Home
40VMO (1996)
Starter
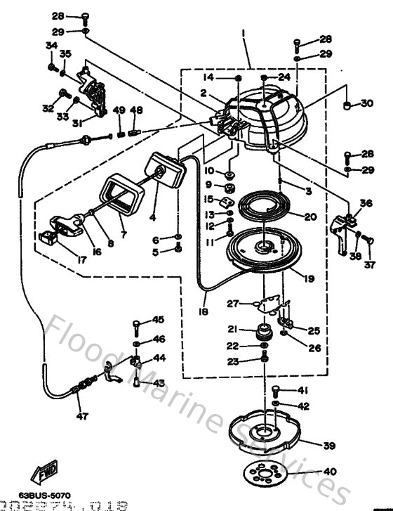
Diagram: Starter
Parts List
Reference
Description
Price
1
6H415710044D
Starter assembly
Loading…
↗
2
6H4157110294
Case, starter
Loading…
↗
3
916904001800
Pin spring(664)
Loading…
↗
4
6H415758014D
Guide rope
Loading…
↗
5
970950601600
Bolt, hexagon deep recess
Loading…
↗
6
929900660000
Washer, plain (646)
Loading…
↗
7
6H4157620000
Seal, rubber 2
Loading…
↗
8
6A0157890000
Damper
Loading…
↗
9
6F5157520000
Roller, wire
Loading…
↗
10
9038706M6900
Collar (688)
Loading…
↗
11
970950603000
Bolt(jf7)
Loading…
↗
12
929950610000
Washer(6a1)
Loading…
↗
14
953800660000
Nut(661)
Loading…
↗
15
6H4157870100
Stay
Loading…
↗
16
689157550100
Handle, starter
Loading…
↗
17
6F5157790200
Cover
Loading…
↗
19
6H4157140000
Drum, sheave
Loading…
↗
20
905100800200
Spring spiral 656157130000
Loading…
↗
21
6H4157170100
Shaft, starter
Loading…
↗
22
90201065F300
Washer, plate
Loading…
↗
23
970950602000
Bolt(7u8)
Loading…
↗
25
676157410300
Pawl, drive
Loading…
↗
26
9343006M0200
Circlip (689)
Loading…
↗
27
6H4157050000
Spring drive pawl assembly
Loading…
↗
28
970950603500
Bolt(j52)
Loading…
↗
30
995301001400
Pin, dowel
Loading…
↗
31
63D15771004D
Stay 1
Loading…
↗
32
970130802500
Bolt (682)
Loading…
↗
33
929900860000
Washer, plain (663)
Loading…
↗
36
6H4157720294
Stay 2
Loading…
↗
37
9010106M2700
Bolt
Loading…
↗
39
6H4157230194
Pulley, starter
Loading…
↗
40
6J881365A000
Gasket, hole cover
Loading…
↗
41
973130802000
Bolt(6td)
Loading…
↗
43
9038706M6600
Collar (6h4)
Loading…
↗
44
63D157460000
Arm
Loading…
↗
45
970950604000
Bolt (682)
Loading…
↗
47
63D157700000
Cable comp., starter stop
Loading…
↗
48
656157480000
Plunger, starter stop
Loading…
↗
49
905011022700
Spring, comprreshion(656)
Loading…
↗