Yamaha Outboard Parts - Starter - 5CMH (1989) | Flood Marine
New Search
Parts
New Outboards
Home
5CMH (1989)
Starter
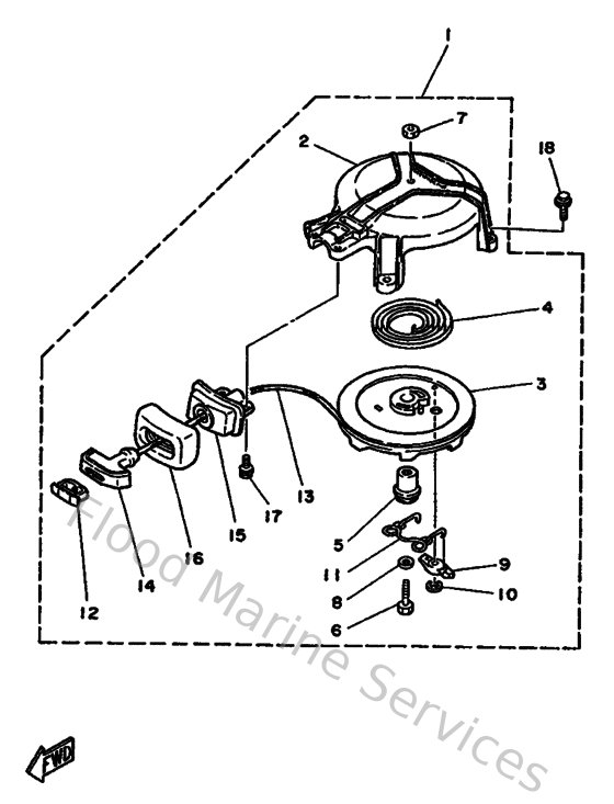
Diagram: Starter
Parts List
Reference
Description
Price
1
6E3157100394
Starter assembly
Loading…
↗
3
6E0157140100
Drum, sheave
Loading…
↗
5
6E0157170000
Shaft, starter
Loading…
↗
6
970130603500
Bolt(3rv)
Loading…
↗
7
953030660000
Nut(661)
Loading…
↗
9
677157410100
Pawl, drive
Loading…
↗
10
9343006M0200
Circlip (689)
Loading…
↗
11
6E0157050000
Spring drive pawl assembly
Loading…
↗
12
6G1157790000
Cover
Loading…
↗
14
6G1157550000
Handle, starter
Loading…
↗
15
6E3157580100
Guide, wire
Loading…
↗
16
6E0157610000
Seal, rubber 1
Loading…
↗
17
9010506M1400
Bolt (6e0)
Loading…
↗
18
9010506M1500
Bolt (6e0)
Loading…
↗