Yamaha Outboard Parts - Starter - 6CEM (1988) | Flood Marine
New Search
Parts
New Outboards
Home
6CEM (1988)
Starter
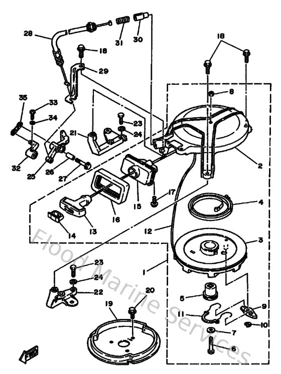
Diagram: Starter
Parts List
Reference
Description
Price
1
6G1157108100
Starter assembly
Loading…
↗
2
6G1157118094
Case, Starter
Loading…
↗
3
6GH157140000
Drum, sheave
Loading…
↗
4
9051008M0300
Spring, spiral (6g1)
Loading…
↗
5
6G1157170000
Shaft, starter
Loading…
↗
6
970140603500
Bolt(3rv)
Loading…
↗
7
9020106M3000
Washer, plate (6a1)
Loading…
↗
8
953030660000
Nut(661)
Loading…
↗
9
677157410100
Pawl, drive
Loading…
↗
10
9343006M0200
Circlip (689)
Loading…
↗
11
6G1157050000
Spring, drive pawl
Loading…
↗
13
6G1157550000
Handle, starter
Loading…
↗
14
689157790100
Cover
Loading…
↗
15
6G1157580000
Guide, rope
Loading…
↗
16
6G1157620000
Seal 2
Loading…
↗
17
9010506M1400
Bolt (6e0)
Loading…
↗
18
9010506M1500
Bolt (6e0)
Loading…
↗
19
6G1157230094
Pulley, starter
Loading…
↗
20
9010506M2900
Bolt (6g1)
Loading…
↗
21
6N0E57710094
Stay 1
Loading…
↗
23
973130602000
Bolt(7u8)
Loading…
↗
24
929900660000
Washer, plain (646)
Loading…
↗
25
6G1157468100
Arm
Loading…
↗
26
6G1157640000
Collar 1
Loading…
↗
27
9010506M2400
Bolt (6g1)
Loading…
↗
28
6G1157708100
Cable comp., starter stop
Loading…
↗
29
6G1157748100
Stay 4
Loading…
↗
30
656157480000
Plunger, starter stop
Loading…
↗
31
905011022700
Spring, comprreshion(656)
Loading…
↗
32
6G1441258000
Lever, shift rod 2
Loading…
↗
33
985800501600
Screw, pan head(6b0)
Loading…
↗
34
929900560000
Washer, plain (646)
Loading…
↗
35
6G1157478000
Link
Loading…
↗