Yamaha Outboard Parts - Starter - 6DEM (1996) | Flood Marine
New Search
Parts
New Outboards
Home
6DEM (1996)
Starter
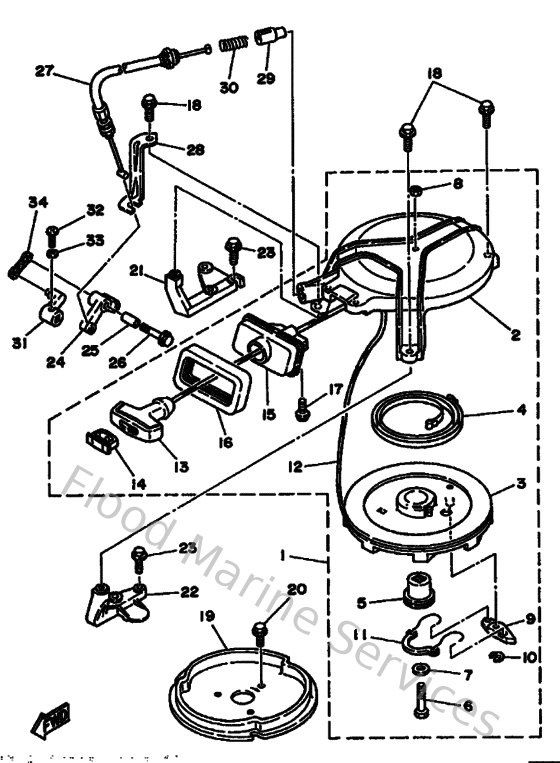
Diagram: Starter
Parts List
Reference
Description
Price
1
6G1157108100
Starter assembly
Loading…
↗
2
6G1157118094
Case, Starter
Loading…
↗
3
6GH157140000
Drum, sheave
Loading…
↗
4
9051008M0300
Spring, spiral (6g1)
Loading…
↗
5
6G1157170000
Shaft, starter
Loading…
↗
6
970140603500
Bolt(3rv)
Loading…
↗
7
9020106M3000
Washer, plate (6a1)
Loading…
↗
8
953800660000
Nut(661)
Loading…
↗
9
677157410100
Pawl, drive
Loading…
↗
10
9343006M0200
Circlip (689)
Loading…
↗
11
6G1157050000
Spring, drive pawl
Loading…
↗
13
6G1157550000
Handle, starter
Loading…
↗
14
6G1157790000
Cover
Loading…
↗
15
6N0E57580100
Guide, rope
Loading…
↗
16
6G1157620000
Seal 2
Loading…
↗
17
958950601600
Bolt, flange deep recess
Loading…
↗
18
958800602000
Bolt, flange(jk3)
Loading…
↗
19
6G1157230094
Pulley, starter
Loading…
↗
20
9010506M2900
Bolt (6g1)
Loading…
↗
21
6G1157710094
Stay 1
Loading…
↗
22
6GH157720000
Stay 2
Loading…
↗
23
975950652000
Bolt(7u8)
Loading…
↗
24
6G1157468100
Arm
Loading…
↗
25
6G1157640000
Collar 1
Loading…
↗
26
958950602500
Bolt, flange deep recess
Loading…
↗
27
6G1157708100
Cable comp., starter stop
Loading…
↗
28
6G1157748100
Stay 4
Loading…
↗
29
656157480000
Plunger, starter stop
Loading…
↗
30
905011022700
Spring, comprreshion(656)
Loading…
↗
31
6G1441258000
Lever, shift rod 2
Loading…
↗
32
985800501600
Screw, pan head(6b0)
Loading…
↗
33
929900560000
Washer, plain (646)
Loading…
↗
34
6G1157478000
Link
Loading…
↗