Yamaha Outboard Parts - Steering - 25NEMO (1992) | Flood Marine
New Search
Parts
New Outboards
Home
25NEMO (1992)
Steering
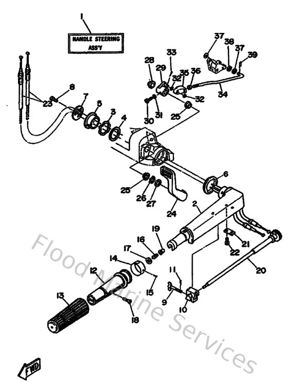
Diagram: Steering
Parts List
Reference
Description
Price
3
9020635M2000
Washer, wave(6j8)
Loading…
↗
4
9020235M2400
Washer (6g1)
Loading…
↗
6
9038643M7900
Bush(6l5)
Loading…
↗
7
6G1421310100
Cover, handle steering
Loading…
↗
8
970950601600
Bolt, hexagon deep recess
Loading…
↗
9
6G1421250100
Bolt, friction adjusting
Loading…
↗
10
6G1421260000
Piece, friction
Loading…
↗
11
914901601000
Pin, cotter
Loading…
↗
12
664421190000
Grip, steering handle
Loading…
↗
13
6G1421770000
Rubber, handle
Loading…
↗
14
6L2421370000
Indicator, throttle
Loading…
↗
15
9026902M0900
Rivet(6l5)
Loading…
↗
16
905012321500
Spring (655)
Loading…
↗
17
929901060000
Washer, plate
Loading…
↗
18
901520501100
Screw, countersunk
Loading…
↗
19
903860803200
Bushing (650)
Loading…
↗
20
6G1421380100
Lever, throttle
Loading…
↗
21
6E0421590200
Stay
Loading…
↗
22
970950501200
Bolt, hexagon
Loading…
↗
23
6L2263010000
Throttle cable assembly
Loading…
↗
24
6L2441110094
Handle, gear shift
Loading…
↗
25
9038615M7300
Bush(6l2)
Loading…
↗
26
9020615M1800
Washer, wave(6l2)
Loading…
↗
27
9020215M3700
Washer, plate(6l2)
Loading…
↗
28
9038612M7200
Bush(6l2)
Loading…
↗
29
6L2441250000
Lever, shift rod
Loading…
↗
30
970800602000
Bolt(7u8)
Loading…
↗
31
929900660000
Washer, plain (646)
Loading…
↗
32
902020600900
Washer plate 626427510000
Loading…
↗
33
914902001000
Pin, cotter
Loading…
↗
34
6L2441240000
Link, shift rod
Loading…
↗
35
6L2263630000
End, cable
Loading…
↗
36
953800670000
Nut
Loading…
↗
37
902020508800
Washer, plate (666)
Loading…
↗
38
9020205M3800
Washer, plate(6l2)
Loading…
↗
39
9046805M0300
Clip(6j8)
Loading…
↗