Yamaha Outboard Parts - Steering - 50HM (1997) | Flood Marine
New Search
Parts
New Outboards
Home
50HM (1997)
Steering
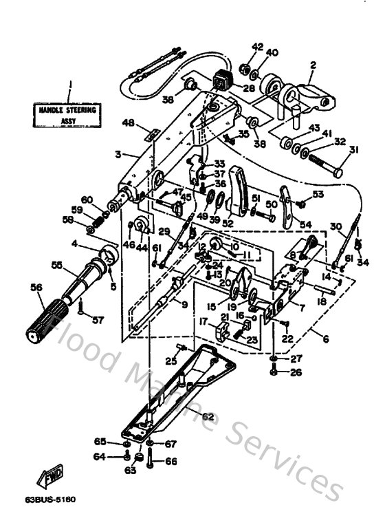
Diagram: Steering
Parts List
Reference
Description
Price
1
63DW0084004D
Handle Steering assembly
Loading…
↗
2
63D42121004D
Bracket
Loading…
↗
3
63D42111014D
Handle, Steering
Loading…
↗
4
6H2421370000
Indicator, throttle
Loading…
↗
6
63D441001100
Shift Link assembly
Loading…
↗
7
63D441040000
Plate Comp
Loading…
↗
9
63D421150000
Shaft, Steering Handle
Loading…
↗
10
650421520094
Gear
Loading…
↗
11
916903002500
Pin, spring
Loading…
↗
13
985800601600
Screw pan head
Loading…
↗
14
990010860000
Circlip(2r6)
Loading…
↗
15
63D441130000
Cam Plate Handle
Loading…
↗
16
63D482360000
Roller, detent
Loading…
↗
17
63D481190000
Cover
Loading…
↗
19
63D441320000
Bushing
Loading…
↗
20
63D481180000
Clip, Shift Lever
Loading…
↗
22
987800501400
Screw 3
Loading…
↗
24
63D421810000
Washer
Loading…
↗
26
970950601600
Bolt, hexagon deep recess
Loading…
↗
27
929900660000
Washer, plain (646)
Loading…
↗
28
63D427250000
Grommet
Loading…
↗
30
63D263010000
Throttle cable assembly
Loading…
↗
31
9010112M0900
Bolt
Loading…
↗
32
929901220000
Ybs66-12 washer,plain
Loading…
↗
34
63D485380000
Clamp, cable 1
Loading…
↗
35
9046409M4200
Clamp(6b0)
Loading…
↗
38
9038612M9300
Bush(6b0)
Loading…
↗
39
9038629M9500
Bush(6B0)
Loading…
↗
40
929901260000
Washer, plate(663)
Loading…
↗
41
9020612M2200
Washer, wave(6b0)
Loading…
↗
42
901851205800
Nut, nylon(663)
Loading…
↗
43
9038712M0200
Collar(6b0)
Loading…
↗
45
63D481540000
Knob, Throttle
Loading…
↗
46
953800660000
Nut(661)
Loading…
↗
47
914902001000
Pin, cotter
Loading…
↗
48
6G8441910000
Indicator, shift
Loading…
↗
49
9020224M5300
Washer Plate(6B0)
Loading…
↗
50
970950804000
Bolt, hexagon
Loading…
↗
51
929950860000
Washer, plain (663)
Loading…
↗
53
9015906M1800
Screw, with washer(6b0)
Loading…
↗
54
63D441730000
Lever, Shift Control
Loading…
↗
55
664421190000
Grip, steering handle
Loading…
↗
56
6G1421770000
Rubber, handle
Loading…
↗
57
9014905M1300
Screw, countersunk
Loading…
↗
58
929901060000
Washer, plate
Loading…
↗
59
905012321500
Spring (655)
Loading…
↗
60
903860803200
Bushing (650)
Loading…
↗
61
9343004M0300
Circlip (eu0)
Loading…
↗
62
63D421310000
Cover, handle steering
Loading…
↗
63
9048014M1400
Grommet (6e0)
Loading…
↗
64
978850601600
Screw, pan head(6b0)
Loading…
↗
66
978850604000
Screw pan head
Loading…
↗