Yamaha Outboard Parts - Steering - F80AET (1999) | Flood Marine
New Search
Parts
New Outboards
Home
F80AET (1999)
Steering
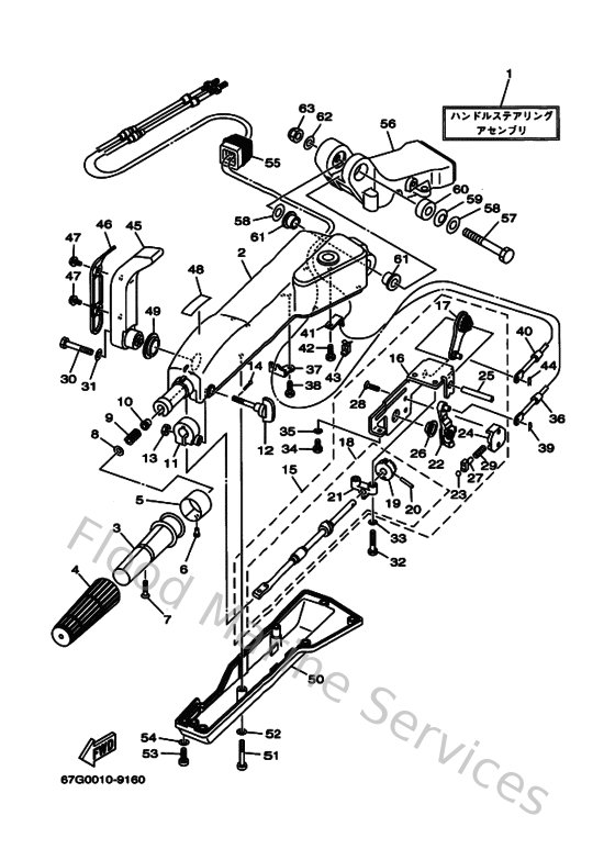
Diagram: Steering
Parts List
Reference
Description
Price
1
67GW0084004D
Handle Steering Assembly
Loading…
↗
2
67G42111004D
Handle, steering
Loading…
↗
3
664421190000
Grip, steering handle
Loading…
↗
4
6G1421770000
Rubber, handle
Loading…
↗
5
6H2421371000
Indicator, throttle
Loading…
↗
6
9026902M0900
Rivet(6l5)
Loading…
↗
7
9014905M1300
Screw, countersunk
Loading…
↗
8
929901060000
Washer, plate
Loading…
↗
9
905012321500
Spring (655)
Loading…
↗
10
903860803200
Bushing (650)
Loading…
↗
11
63D421260000
Friction, steering handle grip
Loading…
↗
12
63D481540000
Knob, Throttle
Loading…
↗
13
953800660000
Nut(661)
Loading…
↗
14
914902001000
Pin, cotter
Loading…
↗
15
67G441000000
Shift Link Assembly
Loading…
↗
16
67G441040000
Plate Comp
Loading…
↗
17
67G482610000
Arm, Throttle
Loading…
↗
18
67G421160000
Shaft, Steering Handle 2
Loading…
↗
19
650421520094
Gear
Loading…
↗
20
916903002500
Pin, spring
Loading…
↗
21
67G421590000
Stay
Loading…
↗
22
67G441130000
Cam Plate, Handle
Loading…
↗
23
63D482360000
Roller, detent
Loading…
↗
24
63D481190000
Cover
Loading…
↗
25
67G421530000
Shaft, Throttle Control
Loading…
↗
26
67G441320000
Bushing
Loading…
↗
27
63D482370000
Adaptor
Loading…
↗
28
6X6811470000
Screw 3
Loading…
↗
29
63D482380000
Spring, detent
Loading…
↗
30
970950804000
Bolt, hexagon
Loading…
↗
31
929950860000
Washer, plain (663)
Loading…
↗
32
970800603000
Bolt(jf7)
Loading…
↗
33
929950660000
Washer, plain (646)
Loading…
↗
34
970800601400
Bolt(gj3)
Loading…
↗
36
67G483210000
Cable
Loading…
↗
37
67G485310000
Bracket Remote Control 1
Loading…
↗
39
904681000500
Pin, hair 6264123500
Loading…
↗
40
67G263010000
Throttle Cable assembly
Loading…
↗
41
66R485380000
Clamp, cable 1
Loading…
↗
43
63D485380000
Clamp, cable 1
Loading…
↗
45
67G44159004D
Handle Gear Shift
Loading…
↗
46
67G441730000
Lever, Shift Control
Loading…
↗
47
9015906M1800
Screw, with washer(6b0)
Loading…
↗
48
6G8441910000
Indicator, shift
Loading…
↗
49
9038626MA300
Bush
Loading…
↗
50
67G421310000
Cover Handle Steering
Loading…
↗
51
978850604000
Screw pan head
Loading…
↗
53
978850601600
Screw, pan head(6b0)
Loading…
↗
55
63D427250000
Grommet
Loading…
↗
56
67G42121004D
Bracket
Loading…
↗
57
9010112M0900
Bolt
Loading…
↗
58
929901220000
Ybs66-12 washer,plain
Loading…
↗
59
9020612M2200
Washer, wave(6b0)
Loading…
↗
60
9038712M0200
Collar(6b0)
Loading…
↗
61
9038612M9300
Bush(6b0)
Loading…
↗
62
929901260000
Washer, plate(663)
Loading…
↗
63
9018512M1200
Nut, self-locking(6e5)
Loading…
↗