Yamaha Outboard Parts - Top Cowling - 70BETO (1992) | Flood Marine
New Search
Parts
New Outboards
Home
70BETO (1992)
Top Cowling
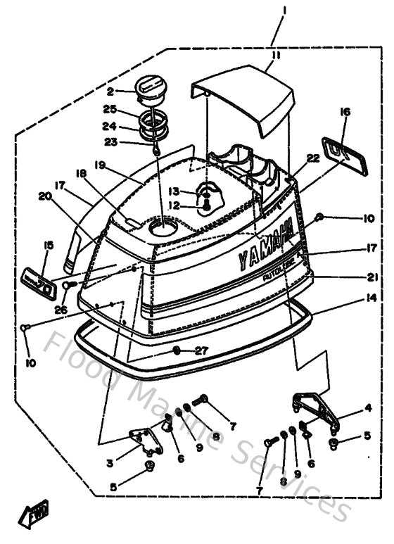
Diagram: Top Cowling
Parts List
Reference
Description
Price
2
6H12177H0000
Disk cap 2
Loading…
↗
5
663426620000
Damper
Loading…
↗
6
6H3426520000
Hook 2
Loading…
↗
7
973950601600
Bolt, hexagon deep recess
Loading…
↗
8
929950610000
Washer(6a1)
Loading…
↗
9
929900660000
Washer, plain (646)
Loading…
↗
10
9026606M0200
Rivet (697)
Loading…
↗
14
6H3426150000
Seal
Loading…
↗
15
6H3426860100
Emblem, Front
Loading…
↗
16
6H3426870100
Emblem, Rear
Loading…
↗
18
6H3134360000
Mark
Loading…
↗
19
689W42662000
Damper, Form
Loading…
↗
20
689W42664000
Damper (350x640)
Loading…
↗
22
689W42661000
Damper, Form
Loading…
↗
23
6H1426940000
Band
Loading…
↗
24
6H3217320000
Seal 1
Loading…
↗
25
6H3217350000
Seal 2
Loading…
↗
26
9033805M1200
Plug(6h4)
Loading…
↗
27
9018305M0600
Nut, spring(6h4)
Loading…
↗