Yamaha Outboard Parts - Top Cowling - 80AETOL (1996) | Flood Marine
New Search
Parts
New Outboards
Home
80AETOL (1996)
Top Cowling
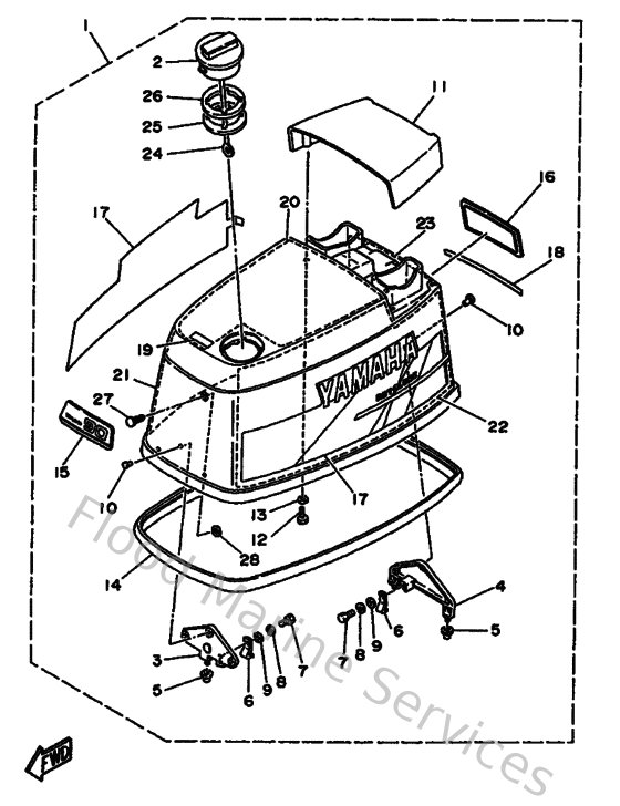
Diagram: Top Cowling
Parts List
Reference
Description
Price
2
63D2177H0000
Disk cap 2
Loading…
↗
3
6H1426470094
Holder, clamp band
Loading…
↗
4
6H1426490094
Holder, clamp band
Loading…
↗
5
663426620000
Damper
Loading…
↗
6
688426521000
Hook 2
Loading…
↗
7
970950601600
Bolt, hexagon deep recess
Loading…
↗
8
929950610000
Washer(6a1)
Loading…
↗
9
929900660000
Washer, plain (646)
Loading…
↗
10
9026606M0200
Rivet (697)
Loading…
↗
11
6H142613004D
Molding air duct
Loading…
↗
14
688426150000
Seal
Loading…
↗
15
6H1426861100
Emblem, Front
Loading…
↗
16
6H1426870100
Emblem, Rear
Loading…
↗
20
689W42662000
Damper, Form
Loading…
↗
21
689W42664000
Damper (350x640)
Loading…
↗
23
689W42661000
Damper, Form
Loading…
↗
24
6H1426940000
Band
Loading…
↗
25
6H3217320000
Seal 1
Loading…
↗
26
6H3217350000
Seal 2
Loading…
↗
27
9033805M1200
Plug(6h4)
Loading…
↗
28
9018305M0600
Nut, spring(6h4)
Loading…
↗