Yamaha Outboard Parts - Upper Casing - 130BETOL (1991) | Flood Marine
New Search
Parts
New Outboards
Home
130BETOL (1991)
Upper Casing
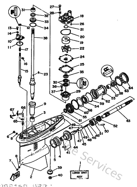
Diagram: Upper Casing
Parts List
Reference
Description
Price
1
6E54530012EJ
Lower Unit Assembly (Ref.no. 2 ~ 67) (6E5-45300-12-Ej)
Loading…
↗
2
6E54530102EJ
Casing, Lower
Loading…
↗
3
93315628U900
Brg,cyl-cal roller (6e5)
Loading…
↗
4
93332000U700
Brg,tapered roller 76mm (6e5)
Loading…
↗
5
6E5455673000
Shim (t:0.18mm)
Loading…
↗
6
9034008M0400
Plug, straight screw
Loading…
↗
7
688453410000
Plug, drain
Loading…
↗
8
904300800300
Gasket
Loading…
↗
9
6E5455360000
Sleeve, drive shaft
Loading…
↗
10
6E5453210000
Plate
Loading…
↗
11
932105867700
O-ring(47x)
Loading…
↗
12
931060901400
Oil seal
Loading…
↗
13
973950602000
Bolt(7u8)
Loading…
↗
14
9020906M0400
Washer
Loading…
↗
15
6E5441500200
Shift cam assembly
Loading…
↗
16
990010860000
Circlip(2r6)
Loading…
↗
17
9050111M1000
Spring, compression (663)
Loading…
↗
18
6E5443110000
Housing, water pump
Loading…
↗
19
6E5443220000
Insert, cartridge
Loading…
↗
20
9321086M3800
O-ring (6e5)
Loading…
↗
21
9321037M6700
O-ring (6g8)
Loading…
↗
22
6E5443520100
Impeller
Loading…
↗
23
9028004M0500
Key, woodruff (6e5)
Loading…
↗
24
6E5443230000
Outer plate, cartridge
Loading…
↗
25
6E5443150000
Gasket,water pump
Loading…
↗
26
936061201900
Pin, dowel (614)
Loading…
↗
27
970950804500
Bolt, hexagon
Loading…
↗
28
9020908M0200
Washer, plate (688)
Loading…
↗
29
6E5453310094
Housing, bearing
Loading…
↗
30
9310128M1600
Oil seal (6e5)
Loading…
↗
31
93315430V500
Bearing, cylindrical(6k0)
Loading…
↗
32
6E5455870130
Shim (t:0.30mm)
Loading…
↗
33
93341930V200
Bearing, thrust(64d)
Loading…
↗
34
932105453400
O-ring (70e)
Loading…
↗
35
6E5453440000
Cover, oil seal
Loading…
↗
36
973950802500
Bolt (62g)
Loading…
↗
37
929900860000
Washer, plain (663)
Loading…
↗
38
6E5455012100
Drive shaft comp.
Loading…
↗
39
6E5455510200
Pinion
Loading…
↗
40
9017016M0100
Nut, hexagon (688)
Loading…
↗
41
6E5455600100
Gear 1 assembly
Loading…
↗
42
93315425U700
Brg,cyl-cal roller (6e5)
Loading…
↗
43
6E5456110100
Shaft, propeller
Loading…
↗
44
6E5456410300
Shifter
Loading…
↗
45
6E5456340100
Slide, shift
Loading…
↗
46
9050116M3700
Spring (6g5)
Loading…
↗
47
935073203100
Ball (12r)
Loading…
↗
48
935113202700
Ball (498)
Loading…
↗
49
935031601000
Ball
Loading…
↗
50
9025008M0700
Pin, straight (6g5)
Loading…
↗
51
6E5456310100
Clutch, dog
Loading…
↗
52
6E5456330100
Ring, cross pin
Loading…
↗
53
6E5453320094
Housing, bearing
Loading…
↗
54
93306208U000
Brg,r-b 6208 80mm 345g (6e5)
Loading…
↗
55
6E5455710100
Gear 2
Loading…
↗
56
6E5455760000
Washer, thrust 2
Loading…
↗
57
93315430U800
Bearing
Loading…
↗
58
9310130M1700
Oil seal (6e5)
Loading…
↗
59
9321086M3900
O-ring (6e5)
Loading…
↗
60
6L6455776000
Shim (t:0.50mm)
Loading…
↗
61
9020130M9200
Washer (6g5)
Loading…
↗
62
902820401000
Key, strait(663)
Loading…
↗
63
688453830200
Washer, claw
Loading…
↗
64
688453840000
Nut
Loading…
↗
65
6E5453780000
Nipple, hose
Loading…
↗
66
9044507ME800
Hose (l250)
Loading…
↗
67
6E5835581000
End, nipple
Loading…
↗
1
663453760094
Guide, seal damper
Loading…
↗
2
688453750000
Damper, seal 2
Loading…
↗
3
688452140200
Cover, water inlet
Loading…
↗
4
688452150200
Cover, water inlet
Loading…
↗
5
9015205M0700
Screw, countersunk
Loading…
↗
6
901850500200
Nut nylon (sus)(ex4)
Loading…
↗
7
6E5453710100
Trim tab
Loading…
↗
8
9010510M0000
Bolt, hexagon (663)
Loading…
↗
9
9360812M0500
Pin, dowel b (6e5)
Loading…
↗
10
970951004500
Bolt(64d)
Loading…
↗
11
929901010000
Ybs67-10 washer, spring
Loading…
↗
12
973951007000
Bolt, hexagon
Loading…
↗
14
6E5443650000
Damper, water seal 1
Loading…
↗
15
6E5443120000
Cover, water pump housing
Loading…
↗
16
6E5443660000
Damper, water seal 2
Loading…
↗
17
6E5443610000
Tube, water
Loading…
↗
19
9044507M2100
Hose (l1160)
Loading…
↗
20
6E5835580000
End, nipple
Loading…
↗
21
9046511M1000
Clamp
Loading…
↗
22
6E5459870000
Spacer 1
Loading…
↗
23
688459970100
Spacer 2
Loading…
↗
24
929901820000
Washer (6e5)
Loading…
↗
25
9017118M0400
Nut, castle (6e5)
Loading…
↗
26
914904003000
Pin, cotter (663)
Loading…
↗
27
6E54594501EL
Propeller (3x13-1/4x17-k)
Loading…
↗
28
6E5459781000
Propeller assembly (3x14"x26"-p)
Loading…
↗
29
6E5453711000
Tab-trim
Loading…
↗
30
6E5459941000
Plate, tooth
Loading…
↗
4
6E5451550000
Cap
Loading…
↗
6
973950601000
Bolt
Loading…
↗
7
929900660000
Washer, plain (646)
Loading…
↗
9
901190807800
Bolt, with washer
Loading…
↗
10
6G5411370094
Guide, exhaust
Loading…
↗
11
6E5427240000
Grommet
Loading…
↗
12
6G5125810000
Joint, hose
Loading…
↗
14
6G545113A200
Gasket, upper casing
Loading…
↗
15
973950803000
Bolt, hexagon (fj1)
Loading…
↗
16
929900810000
Ybs67-8 washer, spring
Loading…
↗
19
953800870000
Nut(661)
Loading…
↗
21
6G541131005B
Manifold, ext. 1
Loading…
↗
22
6G545114A100
Gasket, upper casing
Loading…
↗
25
6L14113200CA
Manifold, exhaust
Loading…
↗
26
6E5411341000
Gasket, exhaust manifold
Loading…
↗
29
6E514711005B
Muffler 1
Loading…
↗
30
6E5147370000
Damper, muffler
Loading…
↗
31
9018305M0200
Nut, spring (6e5)
Loading…
↗
32
6E5451230000
Gasket, muffler
Loading…
↗
33
6E541135A000
Gasket, exhaust manifold
Loading…
↗
34
973950804500
Bolt, hexagon
Loading…
↗
36
6E5453180000
Bushing, drive shaft 3
Loading…
↗
37
9342036M0100
Circlip (6a0)
Loading…
↗