Yamaha Outboard Parts - Upper Casing - 25NEMO (1992) | Flood Marine
New Search
Parts
New Outboards
Home
25NEMO (1992)
Upper Casing
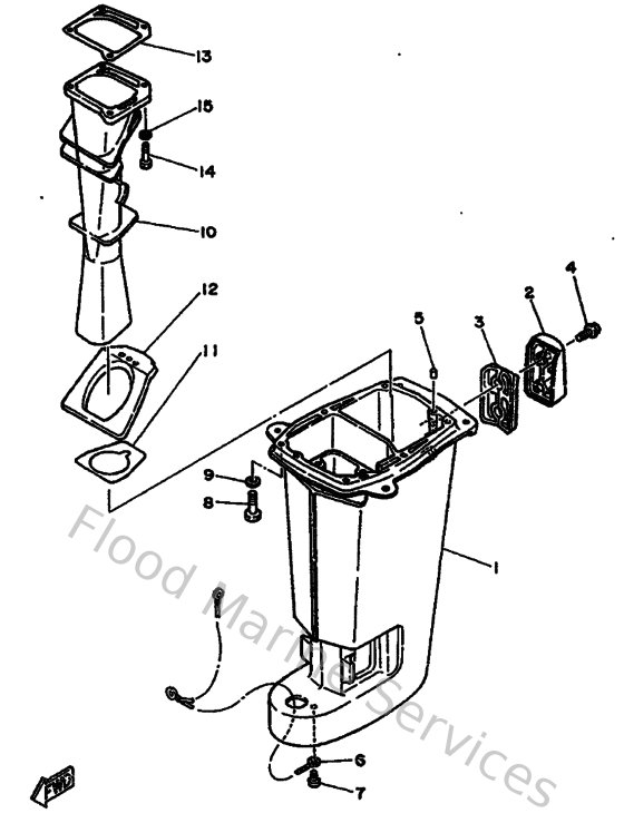
Diagram: Upper Casing
Parts List
Reference
Description
Price
3
6L2451150000
Gasket, upper casing
Loading…
↗
4
9015906M1100
Screw, with washer(6l2)
Loading…
↗
5
9360410M0300
Pin, dowel (688)
Loading…
↗
6
6L2821270000
Wire, lead 2
Loading…
↗
7
9015706M0600
Screw, pan head(6m7)
Loading…
↗
8
970800803000
Bolt, hexagon (fj1)
Loading…
↗
9
929900660000
Washer, plain (646)
Loading…
↗
10
6L34113100CA
Manifold, ext. 1
Loading…
↗
11
6L2411340000
Gasket, exhaust manifold
Loading…
↗
12
6L2451230000
Gasket, muffler
Loading…
↗
13
6L241133A300
Gasket, exhaust manifold 1
Loading…
↗
14
973950602000
Bolt(7u8)
Loading…
↗