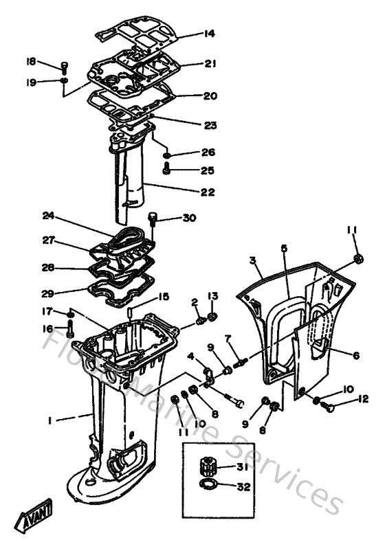
Yamaha Outboard Parts - Upper Casing - 40QMH (1990) | Flood Marine

Diagram: Upper Casing

Diagram