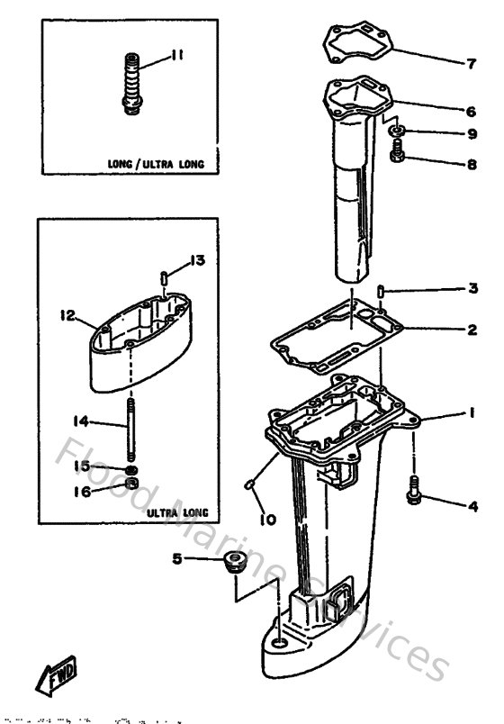
Yamaha Outboard Parts - Upper Casing - 6CEM (1986) | Flood Marine

Diagram: Upper Casing

Diagram