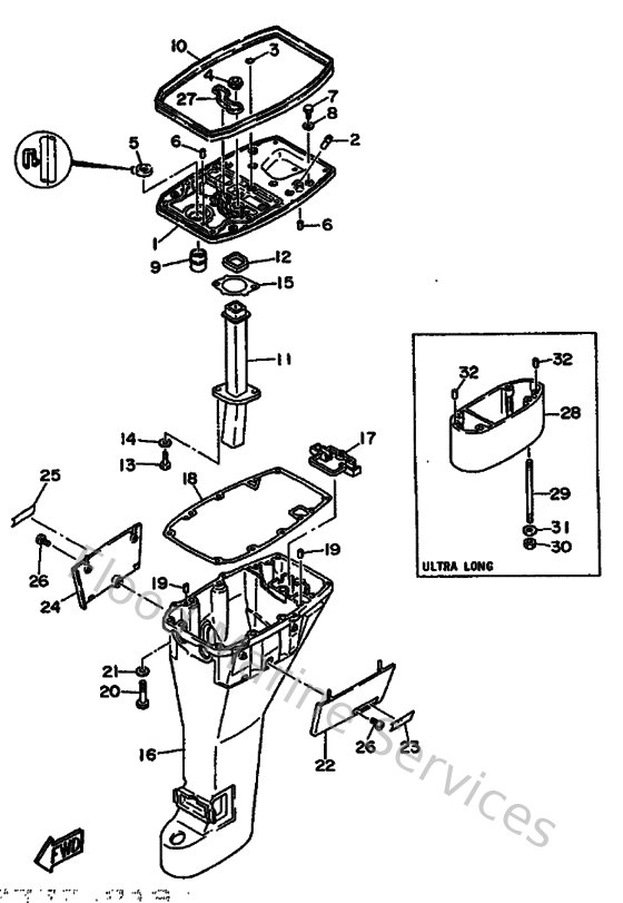
Yamaha Outboard Parts - Upper Casing - F8AMH (1986) | Flood Marine

Diagram: Upper Casing

Diagram