Yamaha Outboard Parts - Upper Casing - FT9.9AMH (1985) | Flood Marine
New Search
Parts
New Outboards
Home
FT9.9AMH (1985)
Upper Casing
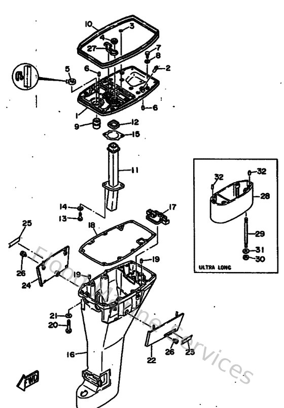
Diagram: Upper Casing
Parts List
Reference
Description
Price
1
6G8411370094
Guide, Exhaust
Loading…
↗
2
6E5243770000
Pipe, joint
Loading…
↗
3
9321008M6000
O-ring (6g8)
Loading…
↗
4
6G8443670000
Rubber, water seal 3
Loading…
↗
5
9310113M2700
Oil seal (6g8)
Loading…
↗
6
936061201900
Pin, dowel (614)
Loading…
↗
7
973130602000
Bolt(7u8)
Loading…
↗
8
929030660000
Washer, plain (646)
Loading…
↗
9
6G8451350000
Pipe 1
Loading…
↗
10
6G8427160000
Seal
Loading…
↗
11
6G8411310000
Manifold, ext. 1
Loading…
↗
12
6G8411380000
Seal, exhaust 1
Loading…
↗
13
973950601600
Bolt, hexagon deep recess
Loading…
↗
14
929900660000
Washer, plain (646)
Loading…
↗
15
6G8411330000
Gasket,exhaust manifold 1
Loading…
↗
16
6G84511110EL
Casing, Upper
Loading…
↗
17
6G8451510000
Cover, Upper Casing
Loading…
↗
18
6G8451130000
Gasket,upper casing
Loading…
↗
20
970950804000
Bolt, hexagon
Loading…
↗
21
929900860000
Washer, plain (663)
Loading…
↗
23
6G8427910000
Mark 1
Loading…
↗
25
6G8427920000
Mark 2
Loading…
↗
26
978850601200
Screw, pan head(62j)
Loading…
↗
27
6G8113550000
Seal, cylinder
Loading…
↗
28
6G84521120EL
Extension
Loading…
↗
29
9011608M1900
Bolt, stud (6g8)
Loading…
↗
30
953800860000
Nut (661)
Loading…
↗