Diagram Sections: 115AETOL (1996)
Download as PDF-
Bottom Cowling
-
Bracket 1
-
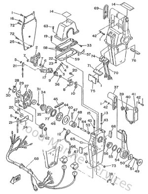
Bracket 2 (MANUAL TILT MODEL)
-
C.d.i. Magneto
-
Carburetor
-
Control
-
Crankcase & Cylinder
-
Crankshaft & Piston
-
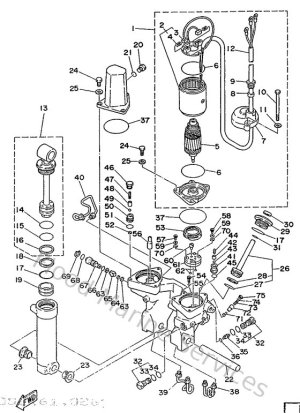
Electric Motor
-
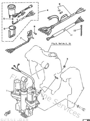
Electric Parts 1
-
Electric Parts 2
-
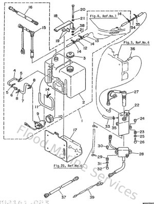
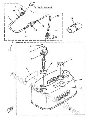
Fuel 1
-
Fuel 2
-
Intake
-
Lower & Drive 1
-
Lower & Drive 2
-
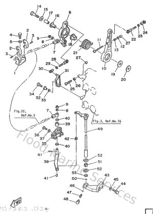
Oil Pump
-
Oil Tank
-
Optional Parts 1
-
Optional Parts 2
-
Optional Parts 3
-
Optional Parts 4
-
Optional Parts 5
-
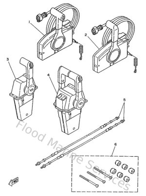
Power Trim & Tilt
-
Power Trim & Tilt Assy
-
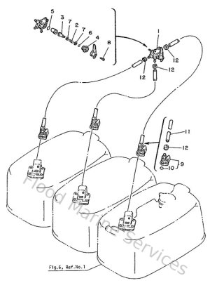
Remote Control
-
Remote Control Assy 1 (703 TYPE)
-
Remote Control Assy 2 (704 TYPE)
-
Repair Kit
-
Steering Guide Attachment
-
Top Cowling
-
Upper Casing