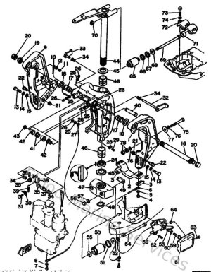
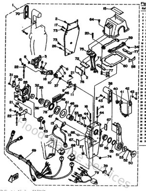
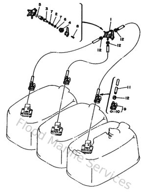
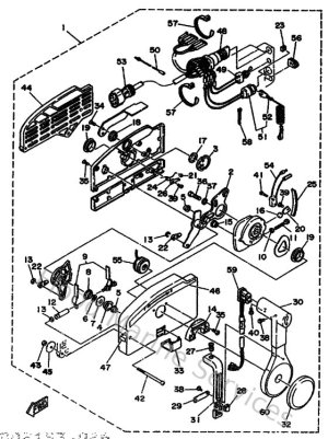
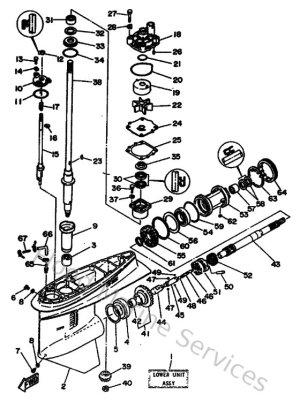
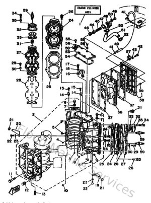
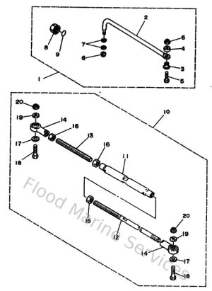
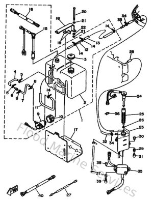
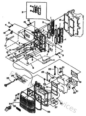
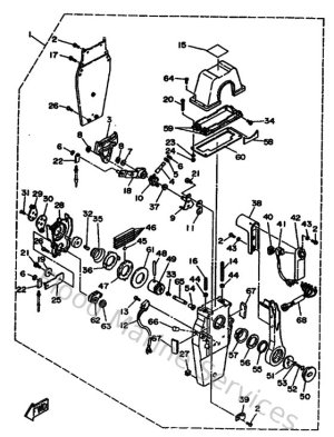
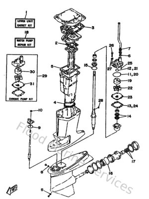
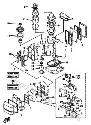
Diagram Sections: 115BETO (1992)

Download as PDF