Diagram Sections: 115BETO (1995)
Download as PDF-
Bottom Cowling
-
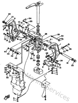
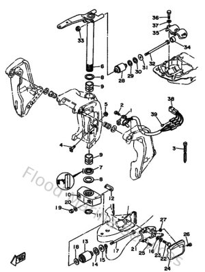
Bracket 1
-
Bracket 2
-
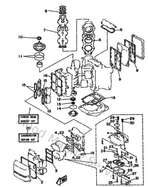
Carburetor
-
Control
-
Crankshaft & Piston
-
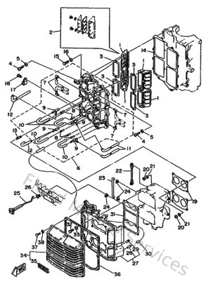
Cylinder & Crankcase
-
Demarreur Electrique
-
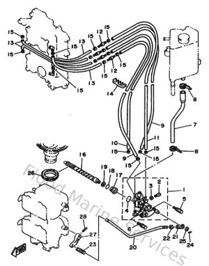
Fuel
-
Generatrice
-
Intake
-
Kits De Reparation 1
-
Kits De Reparation 2
-
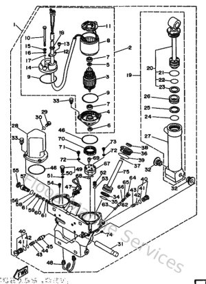
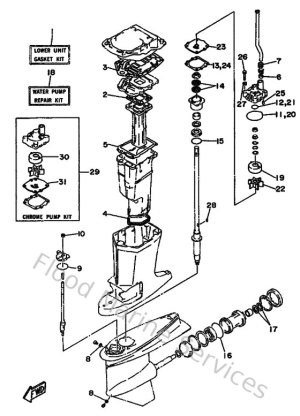
Lower Casing & Drive
-
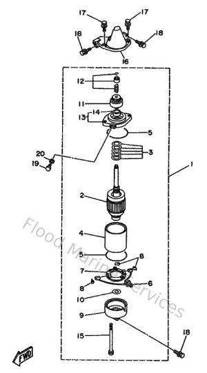
Oil Pump
-
Oil Tank
-
Partie Electrique 1
-
Partie Electrique 2
-
Power Trim & Tilt Assy
-
Top Cowling
-
Upper Casing