Diagram Sections: 115BETO (2000)
Download as PDF-
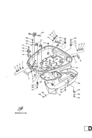
BOTTOM
-
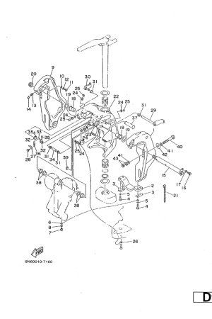
BRACKET
-
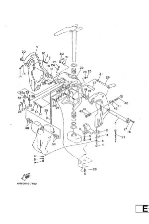
BRACKET 1
-
BRACKET 2
-
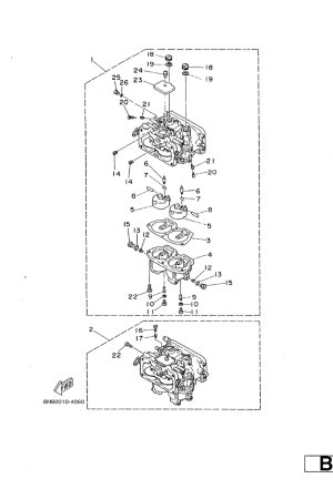
CARBURETOR
-
CONTROL
-
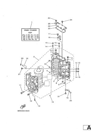
CRANKSHAFT.
-
CYLINDER.
-
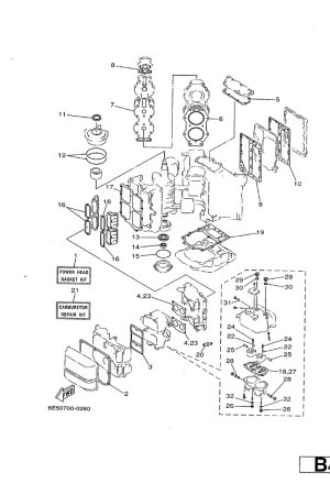
CYLINDER. CRANKCASE 2
-
ELECTRICAL 1
-
ELECTRICAL 2
-
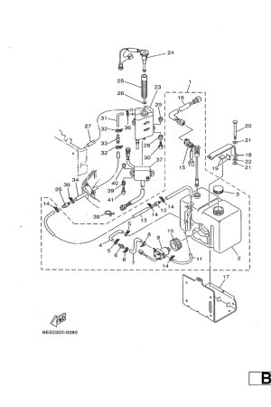
FUEL1
-
FUEL2
-
GENERATOR
-
INTAKE
-
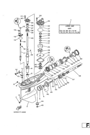
LOWER
-
METER
-
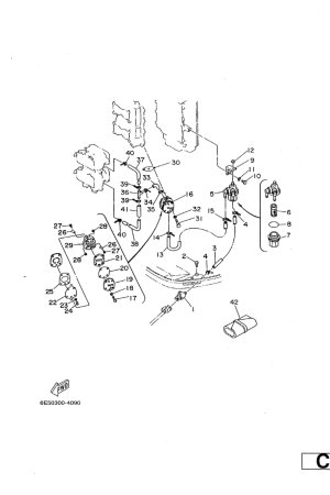
OIL PUMP
-
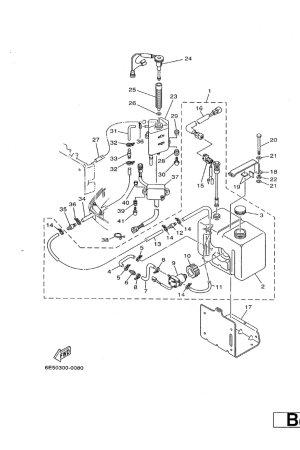
OIL TANK
-
OILTANK
-
POWER
-
POWER TRIM & TILT ASSY 1
-
REMOTE
-
REMOTE CONTROL ASSY
-
REMOTE CONTROL BOX
-
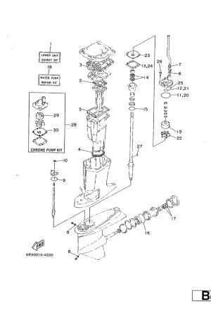
REPAIR
-
REPAIRKIT
-
REPAIRKIT 1
-
REPAIRKIT 2
-
STARTING MOTOR
-
STEERING
-
TOP COWLING
-
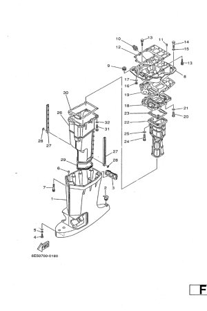
UPPER