Diagram Sections: 115BETO (2001)
Download as PDF-
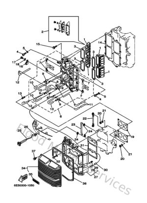
Bottom Cowling
-
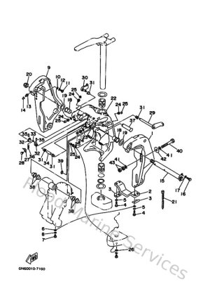
Bracket 1
-
Bracket 2
-
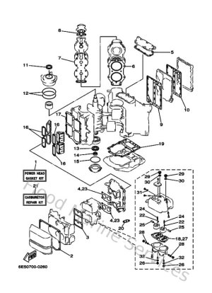
Carburetor
-
Control
-
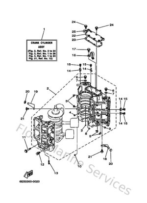
Crankshaft & Piston
-
Cylinder & Crankcase
-
Cylinder & Crankcase 2
-
Electrical 1
-
Electrical 2
-
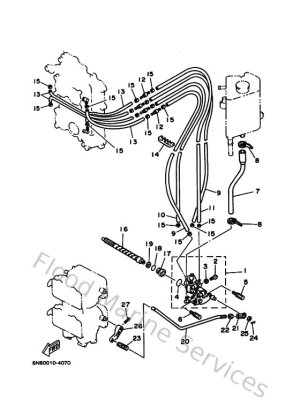
Fuel
-
Generator
-
Intake
-
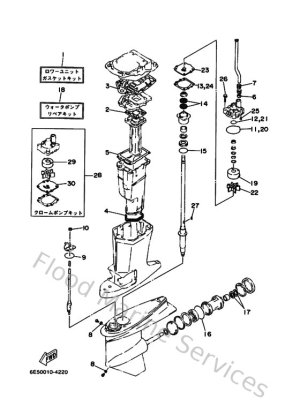
Lower Casing & Drive 1
-
Lower Casing & Drive 2
-
Meter
-
Oil Pump
-
Oil Tank
-
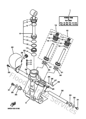
Power Trim & Tilt Assy 1
-
Power Trim & Tilt Assy 2
-
Remote Control Assy 1
-
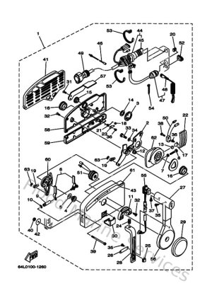
Remote Control Box
-
Repair Kit 1
-
Repair Kit 2
-
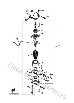
Starting Motor
-
Steering Guide
-
Top Cowling
-
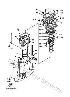
Upper Casing