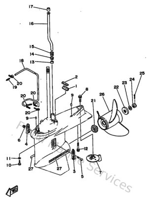
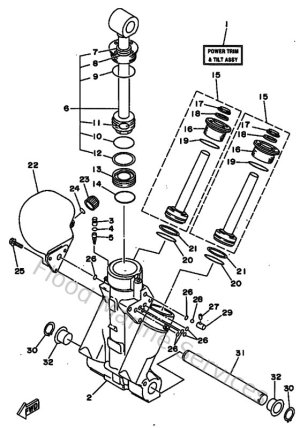
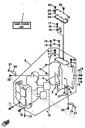
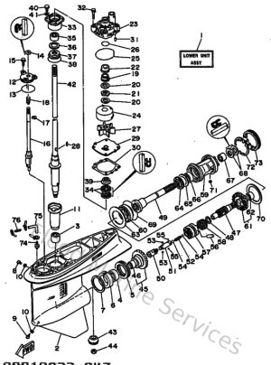
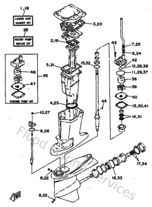
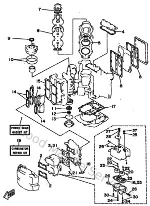
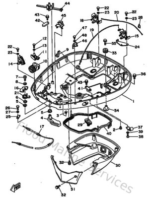
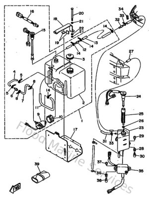
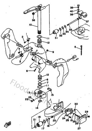
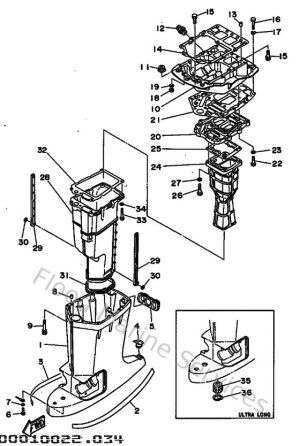
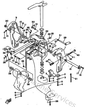
Diagram Sections: 115CETOL (1997)

Download as PDF